| ◊ |
des courants d'entrée (ou “courants de polarisation”) et nuls (résistances d'entrée infinies) ; |
| ◊ | une différence de potentiel entre les deux entrées nulle en mode linéaire ; |
| ◊ | une tension de sortie (tension d'alimentation) en mode “saturé” ; |
| ◊ | une résistance de sortie nulle (générateur de tension parfait). |
| ◊ |
des courants de polarisation très faibles mais non nuls (de l'ordre du nanoampère) ; |
| ◊ | une différence de potentiel telle que, en mode linéaire : avec à ; |
| ◊ | une tension de sortie en mode “saturé en tension” ; |
| ◊ | une tension de décalage des entrées, si le réglage de l'A.O. n'est pas exact : ; ce qui peut aussi s’écrire : (c'est-à-dire pour ) ; |
| ◊ | une “vitesse de balayage” en sortie (avec à ) en mode “saturé en balayage” ; |
| ◊ | une caractéristique de sortie de la forme : (avec ) en mode “saturé en courant de sortie”. |
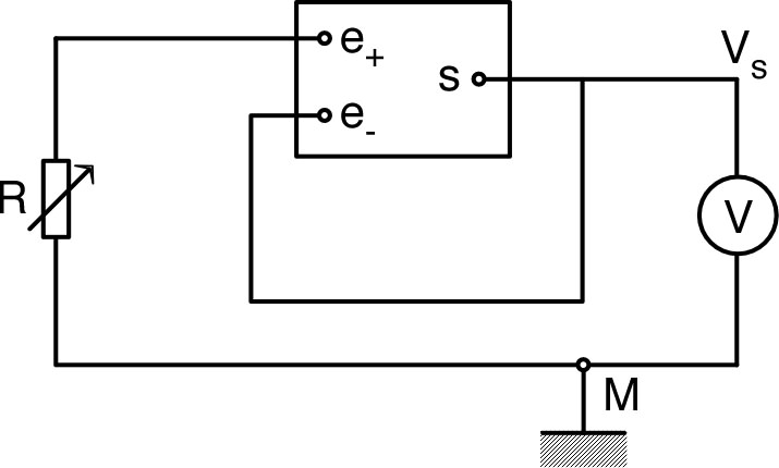
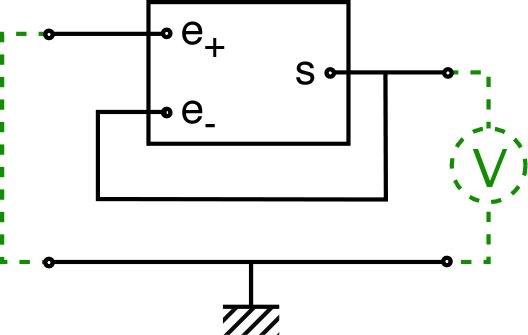
| • Réaliser un montage suiveur de tension
et le raccorder au potentiel de la masse (
). • Si les entrées sont bien “équilibrées” on doit obtenir mais en réalité la moindre dissymétrie de fabrication entre les deux entrées provoque entre elles une différence de potentiel “interne” à l'A.O. ( ). Par suite, on observe généralement . |
![]() |

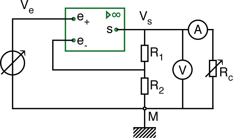
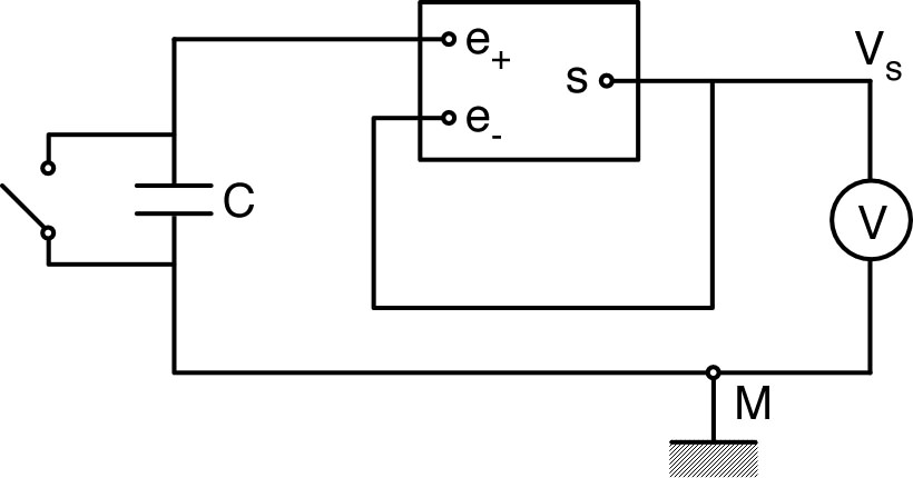
| • La courbe de variation a généralement
l'allure ci-contre (dépendant plus ou moins du modèle d'A.O.
utilisé). Pour faible la sortie est un générateur de tension parfait ( indépendant de , ce qui correspond à une résistance de sortie nulle) ; mais quand croît, on observe une saturation en tension de la forme : ce qui revient à considérer que le modèle idéal est en réalité limité en courant. Déterminer la valeur de (usuellement ). |
![]() |
| • Réaliser un montage “suiveur de tension”
branché en entrée sur un générateur sinusoïdal (BF). • Relier l'entrée et la sortie du montage aux deux voies d'un oscilloscope, en choisissant le même calibre pour voir les deux courbes superposées. |
![]() |

![]() |
![]() |
![]() |
![]() |