| ◊ | des courants d'entrée, ou “courants de polarisation”, et nuls (résistances d'entrée infinies) ; |
| ◊ | une différence de potentiel entre les deux entrées nulle en mode linéaire ; |
| ◊ | une tension de sortie (≈ tension d'alimentation) en mode “saturé” ; |
| ◊ | une résistance de sortie nulle (générateur de tension parfait). |
| ◊ |
des courants de polarisation très faibles mais non nuls (de l'ordre du nanoampère) ; | ||
| ◊ | une différence de potentiel telle
que, en mode linéaire :
|
||
| ◊ | une “vitesse de balayage” en sortie (avec à ) en mode “saturé en balayage” ; | ||
| ◊ | une caractéristique de sortie de la forme : (avec ) en mode “saturé” ; | ||
| ◊ | une tension résiduelle de décalage des
entrées, non systématiquement compensable, si les gains des
deux entrées ne sont pas identiques :
|
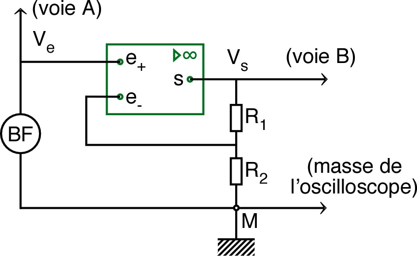
| • Réaliser un montage “amplificateur non
inverseur” branché en entrée sur un générateur B.F.,
avec
et
(gain ). • Relier l'entrée et la sortie du montage
aux deux voies d'un oscilloscope, puis, pour une amplitude
donnée du générateur (par exemple telle qu’on
obtienne
en sortie), augmenter progressivement la fréquence jusqu'à
observer :
.
|
![]() |

