AMPLIFICATEUR OPÉRATIONNEL “RÉEL” - corrigé des exercices



I. Compensation de l'effet des courants de polarisation

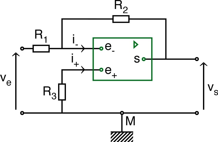
1. • On peut considérer :  v+=veR3i+v_{+}=v_e-R_3 \: i_{+} .
• En notant  i1=vsvR1\displaystyle i_1=\frac{v_s-v_{-}}{R_1}   et   i2=vR2=i1i\displaystyle i_2=\frac{v_{-}}{R_2} =i_1-i_{-}  (dans les résistances correspondantes) et  H=R1+R2R2\displaystyle H=\frac{R_1+R_2}{R_2}   (gain pour l'A.O. idéal), on obtient :  v=1H(vsR1i)\displaystyle v_{-}=\frac{1}{H} \: (v_s-R_1 \: i_{-}) .
• En considérant :  v+vv_{+}≈v_{-}  on obtient :  veR3i+=1H(vsR1i)\displaystyle v_e-R_3 \: i_{+}=\frac{1}{H} \: (v_s-R_1 \: i_{-})  puis :  vs=Hve+R1iHR3i+v_s=H \:v_e+R_1 \: i_{-}-H \:R_3 \: i_{+} .

2. • La simplification donne :  vs=Hve+(R1R2R1+R2R3)Hi±\displaystyle v_s=H \:v_e+\left(\frac{R_1 \: R_2}{R_1+R_2}-R_3\right)\:H \:i_{±} .
• Il est possible de compenser en utilisant  R3=R1R2R1+R2\displaystyle R_3=\frac{R_1 \: R_2}{R_1+R_2}  ;  ceci redonne :  vs=Hvev_s=H \:v_e .

3.
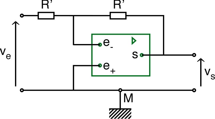
• Pour un montage amplificateur inverseur, on peut proposer le schéma analogue ci-contre.
• Avec  i1=vevR1\displaystyle i_1=\frac{v_e-v_{-}}{R_1}   et   i2=vvsR2=i1i\displaystyle i_2=\frac{v_{-}-v_s}{R_2} =i_1-i_{-}  on obtient :

v=R1R2R1+R2(veR1+vsR2i)\displaystyle v_{-}=\frac{R_1 \: R_2}{R_1+R_2} \, \left(\frac{v_e}{R_1} +\frac{v_s}{R_2} -i_{-}\right) .
• En considérant :  v+=R3i+vv_{+}=-R_3 \: i_{+}≈v_{-}  on obtient :

R3i+=R1R2R1+R2(veR1+vsR2i)\displaystyle -R_3 \: i_{+}=\frac{R_1 \: R_2}{R_1+R_2} \, \left(\frac{v_e}{R_1} +\frac{v_s}{R_2} -i_{-}\right) .

AOreel_cor_Im/AOreel_cor_Im1.jpg

• Avec  H=R2R1\displaystyle H=-\frac{R_2}{R_1}  (gain pour l'A.O. idéal), la simplification donne :  vs=Hve+(R1R2R1+R2R3)(1H)i±\displaystyle v_s=H \:v_e+\left(\frac{R_1 \: R_2}{R_1+R_2}-R_3 \right)\:(1-H) \: i_{±} .
• Il est possible de compenser en utilisant  R3=R1R2R1+R2\displaystyle R_3=\frac{R_1 \: R_2}{R_1+R_2}  ;  ceci redonne :  vs=Hvev_s=H \:v_e .


II. Mesure du gain différentiel de l'A.O.

1.a. • On peut écrire :  vevsr+R=εr=vsμr\displaystyle \frac{v_e-v_s}{r+R}=\frac{ε}{r}=\frac{v_s}{μ \:r} .


1.b. • On peut en déduire :  μ=vsvevsr+RrvsvevsRr\displaystyle μ=\frac{v_s}{v_e-v_s} \, \frac{r+R}{r}≈\frac{v_s}{v_e-v_s} \,\frac{R}{r} .


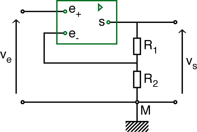
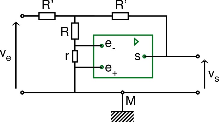
2. • Le montage amplificateur inverseur de gain 1-1 (réalisé avec deux résistances  R=1kΩR'=1 \:\mathrm{kΩ} )  correspond au premier des schémas suivants ; le montage modifié correspond au second (par analogie, on insère RR sur la branche de rétroaction et rr entre les deux entrées).

AOreel_cor_Im/AOreel_cor_Im3.jpg
AOreel_cor_Im/AOreel_cor_Im4.jpg

◊ remarque : en notant AA le point entre les deux résistances RR' ;  (2G+G)vA=Gve+Gvs+Gv(2 \,G'+G) \:v_A=G' \:v_e+G' \:v_s+G \:v_{-}  (avec les conductances)  ;  (g+G)v=GvA(g+G) \:v_{-}=G \:v_A  ;  v+=0v_{+}=0  ;  vs=με=μvv_s=μ \:ε=-μ \:v_{-}  ;  la mesure de vev_e et vsv_s donne :  μ=vsve+vs(2R+R)(R+r)+rRrRvsve+vs2R+Rr\displaystyle μ=-\frac{v_s}{v_e+v_s} \, \frac{(2\, R+R')(R+r)+r \:R'}{r \:R}≈-\frac{v_s}{v_e+v_s} \, \frac{2 \,R+R'}{r} .


III. Rôle stabilisateur de la rétroaction

1.a.
• Avec un A.O. idéal, le principe du pont diviseur de tension donne :  ve=v+=v=vsR2R1+R2\displaystyle v_e=v_{+}=v_{-}=v_s \: \frac{R_2}{R_1+R_2} .

• Le gain est donc :  H=vsve=R1+R2R2\displaystyle H=\frac{v_s}{v_e} =\frac{R_1+R_2}{R_2} .

AOreel_cor_Im/AOreel_cor_Im5.jpg


1.b. • Expérimentalement, si on intervertit les deux entrées e+e_{+} et ee_{-} (rétroaction sur e+e_{+}) on constate le montage devient inopérant en tant qu'amplificateur non inverseur car il se comporte en comparateur inverseur (régime saturé).
• Cela se déduit pas des équations précédentes car le changement de signe de  ε0ε≈0  y est sans effet. Intuitivement, on peut deviner que le régime devient instable : la moindre perturbation est amplifiée puis réinjectée en entrée avec le même signe... et ainsi de suite, d'où une inévitable divergence.


2.a. • Le montage correspond à :  ε=veR2R1+R2vs\displaystyle ε=v_e-\frac{R_2}{R_1+R_2} \: v_s  d'où on déduit :  τdvsdt+(1+μH)vs=μve\displaystyle τ \: \frac{dv_s}{dt}+\left(1+\frac{μ}{H}\right) \: v_s=μ \:v_e .
• Pour  ve(t)v_e (t)  constant par morceaux, les solutions sont de la forme :  vs=HμH+μve+Uet/T\displaystyle v_s=\frac{H \:μ}{H+μ} \: v_e+U\;\mathrm{e}^{-t/T}  avec  T=HH+μτ\displaystyle T=\frac{H}{H+μ} \: τ   et où  UU  est une constante d'intégration à déterminer.
• Pour  t<0t<0  la seule solution raisonnable est  vs(t)=0v_s (t)=0 .
• Pour  t>0t>0  la continuité du signal de sortie (dans l'équation, la dérivée dvsdt\displaystyle \frac{dv_s}{dt} ne peut pas être infinie) impose :  0=HμH+μE+U\displaystyle 0=\frac{H \:μ}{H+μ} \: E+U   d'où   vs=HμH+μE.(1et/T)\displaystyle v_s=\frac{H \:μ}{H+μ} \: E .\left(1-\mathrm{e}^{-t/T} \right) .
• La tension vs(t)v_s (t) tend donc exponentiellement vers  HμH+μEHE\displaystyle \frac{H \:μ}{H+μ} \: E≈H \:E ,  valeur proche de celle correspondant à l'A.O. idéal mais tenant compte du gain fini  (μHμ≫H ).


2.b. • L'interversion des deux entrées e+e_{+} et ee_{-} (rétroaction sur e+e_{+}) correspond à :  ε=R2R1+R2vsve\displaystyle ε=\frac{R_2}{R_1+R_2} \: v_s-v_e   d'où on déduit :  τdvsdt+(1μH)vs=μve\displaystyle τ \: \frac{dv_s}{dt}+\left(1-\frac{μ}{H}\right) \: v_s=-μ \:v_e .
• Pour  ve(t)v_e (t)  constant par morceaux, les solutions sont de la forme :  vs=μHμHve+Uet/T\displaystyle v_s=\frac{μ \:H}{μ-H} \: v_e+U \;\mathrm{e}^{t/T}  avec  T=HμHτ\displaystyle T=\frac{H}{μ-H} \: τ   et où  UU  est une constante d'intégration à déterminer.
• Pour  t<0t<0  la seule solution raisonnable est  vs(t)=0v_s (t)=0 .
• Pour  t>0t>0  la continuité du signal de sortie impose :  0=μHμHE+U\displaystyle 0=\frac{μ \:H}{μ-H} \: E+U   d'où   vs=μHμHE.(1et/T)\displaystyle v_s=\frac{μ \:H}{μ-H} \: E .\left(1-\mathrm{e}^{t/T} \right) .
• La tension vs(t)v_s (t) diverge donc exponentiellement en s'éloignant de  μHμHEHE\displaystyle \frac{μ \:H}{μ-H} \: E≈H \:E ,  valeur proche de celle correspondant à l'A.O. idéal mais tenant compte du gain fini  (μHμ≫H ).
• Cette divergence aboutit à la saturation, avec un signe contraire à EE (celui du terme exponentiel), d'où un comportement de comparateur inverseur.


IV. Gain en mode commun


• La relation  vs=μ+v+μvv_s=μ_{+} \: v_{+}-μ_{-} \: v_{-}  peut s'écrire avec  μ=μ++μ2\displaystyle μ=\frac{μ_{+}+μ_{-}}{2}  (gain moyen) et  μmc=μ+μμ_{mc}=μ_{+}-μ_{-}  ;  ainsi :  vs=μ.(v+v)+μmcv++v2\displaystyle v_s=μ .(v_{+}-v_{-} )+μ_{mc} \: \frac{v_{+}+v_{-}}{2}  où le second terme décrit l'effet du potentiel moyen. On souhaite que l'A.O. soit un “amplificateur différentiel”, seulement sensible à  v+vv_{+}-v_{-}  et sans le second terme.