| ◊ |
des courants d'entrée, ou “courants de polarisation”, et nuls (résistances d'entrée infinies) ; |
| ◊ | une différence de potentiel entre les deux entrées nulle en mode linéaire ; |
| ◊ | une tension de sortie (tension d'alimentation) en mode “saturé” ; |
| ◊ | une résistance de sortie nulle (générateur de tension parfait) en mode linéaire. |
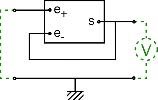
| • Les deux entrées de l'A.O. n'étant jamais rigoureusement symétriques, il faut régler le zéro de la sortie afin de compenser ce décalage. Le suiveur de tension permet ceci, en court-circuitant le côté de l'entrée sur la masse et en branchant un voltmètre en sortie (schéma ci-contre) : si l'A.O. est bien réglé, le voltmètre doit mesurer une tension nulle ; sinon, agir sur la vis de réglage de l'A.O. pour ramener la tension à zéro. | ![]() |
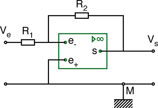
| • Réaliser un montage “amplificateur non
inverseur” ci-contre, branché en entrée sur un générateur
sinusoïdal “basse fréquence” (B.F.). • Choisir les résistances entre et ; justifier ce choix par les “imperfections” de l’A.O. (courants d’entrée non rigoureusement nuls ; courant de sortie limité à ). ☞ remarque : pour le confort visuel, utiliser des fréquences ; pour que la caractéristique dynamique soit identique à la caractéristique statique, utiliser des fréquences (sinon l'A.O. risque de ne pas réagir assez vite). |
![]() |
| • Vérifier la saturation en tension de sortie pour quand la relation précédente conduit à des tensions de sortie supérieures à celles de l’alimentation. | ![]() |
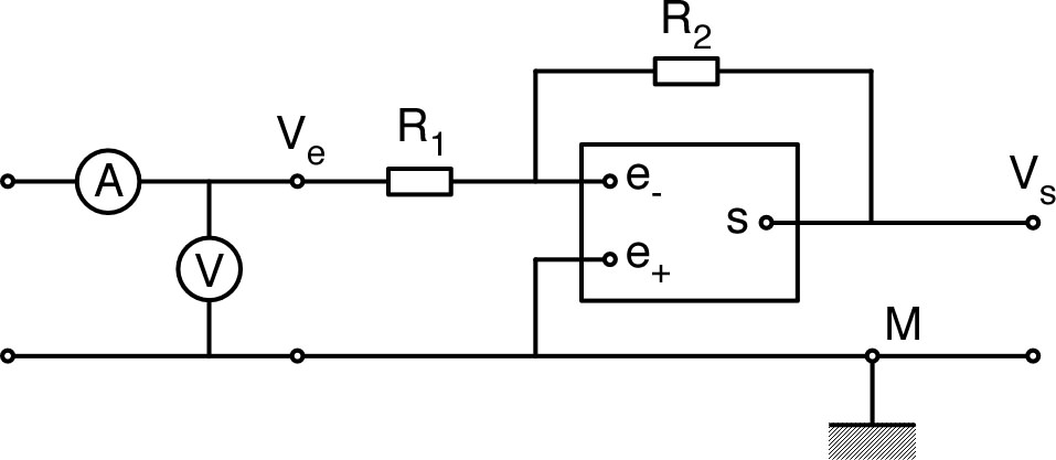
| • Réaliser le montage ci-contre
(“amplificateur inverseur”). • À partir des propriétés caractéristiques de l’A.O., démontrer la relation : ; effectuer les mêmes mesures que pour le montage “amplificateur non inverseur” (y compris pour la saturation et la stabilité). ◊ remarque : pour on obtient un “inverseur” (l'analogue du “suiveur”) qui change le signe sans modifier la forme du signal. |
![]() |
| Pour plusieurs valeurs de tension d'entrée
en régime continu (sans oublier de vérifier que la
sortie n’est pas saturée en tension), mesurer les valeurs
correspondantes du courant d’entrée ; en déduire la
résistance d’entrée et vérifier qu’elle est (dans ce cas)
égale à . ☞ remarque : si la tension aux bornes de l’ampèremètre n’est pas négligeable, mesurer la tension en “courte dérivation” par rapport à l’A.O.. |
![]() |
