| ◊ |
des courants d'entrée, ou “courants de polarisation”, et nuls (résistances d'entrée infinies) ; |
| ◊ | une différence de potentiel entre les deux entrées nulle en mode linéaire ; |
| ◊ | une tension de sortie (tension d'alimentation) en mode “saturé” ; |
| ◊ | une résistance de sortie nulle (générateur de tension parfait) en mode linéaire. |
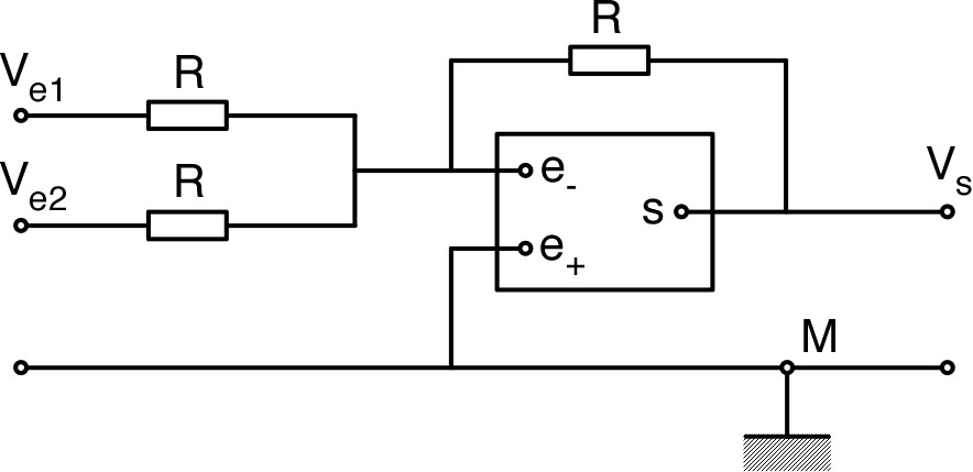
| • Réaliser le montage ci-contre, alimenté
en signaux continus. ◊ remarque : il est en général préférable d'utiliser des résistances entre et ; justifier pourquoi. • Pour plusieurs valeurs algébriques de et (et si possible pour plusieurs valeurs de ) vérifier expérimentalement la relation : . Démontrer cette relation à partir des caractéristiques de l’A.O.. |
![]() |
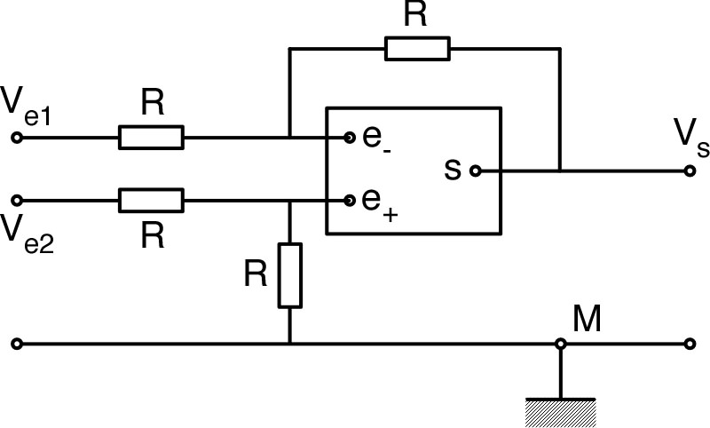
| • Réaliser le montage ci-contre. • De même que dans la partie précédente, vérifier expérimentalement (si possible pour plusieurs valeurs de ) la relation : . Démontrer cette relation à partir des propriétés caractéristiques de l’A.O.. |
![]() |

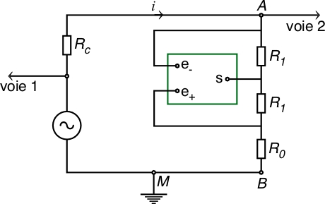
| ◊ |
à cause de la “masse flottante”, les signaux mesurés sont plus ou moins perturbés par des parasites radio (en particulier à à cause du réseau d'alimentation électrique) ; |
| ◊ | on ne peut pas utiliser sinon la portion linéaire de la caractéristique ( ) n'est pas observable : le tracé comporte un cycle (retour différent de l'aller, de part et d'autre du tracé souhaité) ; |
| ◊ | on ne peut pas utiliser sinon, à cause des défauts de l'A.O. réel (non idéal), la portion linéaire est perturbée par les parasites : le tracé comporte plusieurs tracés légèrement décalés dont l'allure d'ensemble n'est pas mieux qu'un “léger effet de cycle” suffisamment étroit. |

| • Vérifier expérimentalement l’effet de la
saturation en tension de sortie, donnant des portions de
caractéristique de la forme :
. ◊ remarque : compte tenu de la résistance de sortie non nulle en mode saturé ( ), on obtient :
|
![]() |