| ◊ |
des courants d'entrée, ou “courants de polarisation”, et nuls (résistances d'entrée infinies) ; |
| ◊ | une différence de potentiel entre les deux entrées nulle en mode linéaire ; |
| ◊ | une tension de sortie (tension d'alimentation) en mode “saturé” ; |
| ◊ | une résistance de sortie nulle (générateur de tension parfait) en mode linéaire. |
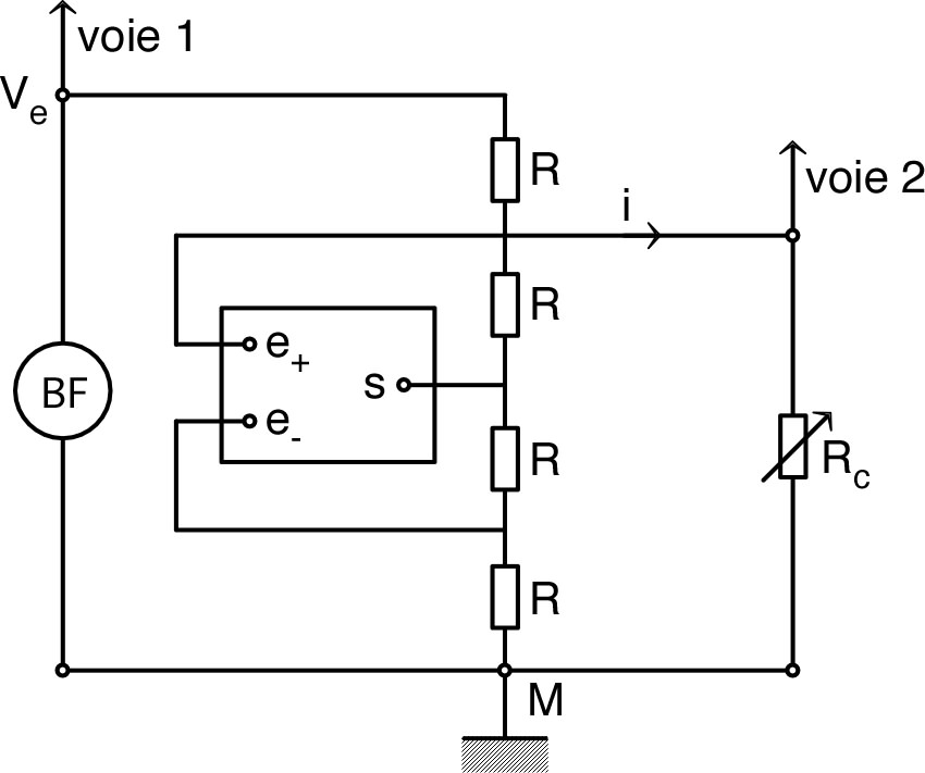
| • Pour le montage ci-contre, alimenté en
tension variable (“dent de scie” est assez pratique),
vérifier expérimentalement (pour plusieurs valeurs de
et
) que la relation :
est indépendante de (on
mesure par
la tension
). ◊ remarque : pour que l'A.O. se comporte de façon “idéale”, il faut utiliser des résistances entre et (les remesurer pour en choisir quatre les plus proches que possible). ◊ remarque : privilégier sinon la sortie de l'A.O. débite un courant trop grand pour faible ; inversement éviter trop grand car cela provoque la saturation en tension de sortie de l'A.O.. |
![]() |
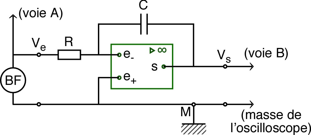
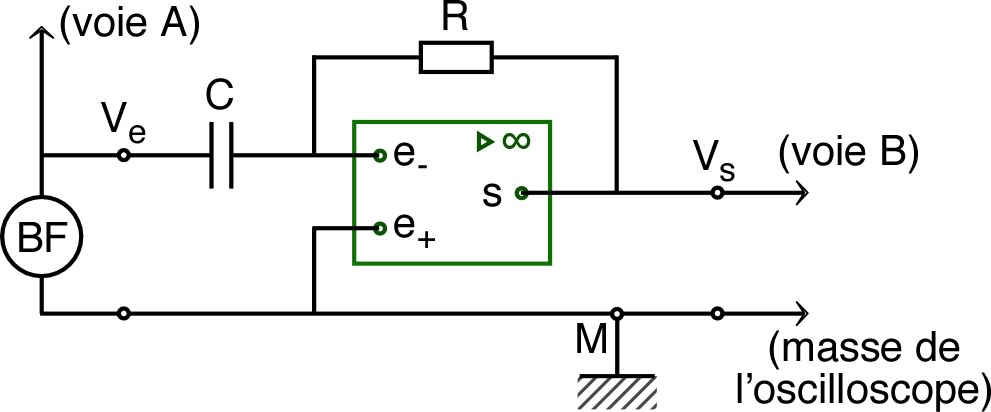
| • Réaliser un montage “dérivateur”
(inverseur) branché en entrée sur un générateur “dents de
scie” “basse fréquence” (B.F.). • Pour éviter la saturation du montage, privilégier les ordres de grandeur suivants : ; ; ; . |
![]() |
| • À partir des propriétés caractéristiques
de l’A.O., démontrer la relation :
. Pour plusieurs valeurs de , , et , vérifier cette relation expérimentalement avec précision. ◊ remarque : un décalage continu du signal d’entrée est sans effet sur la sortie. |
![]() |




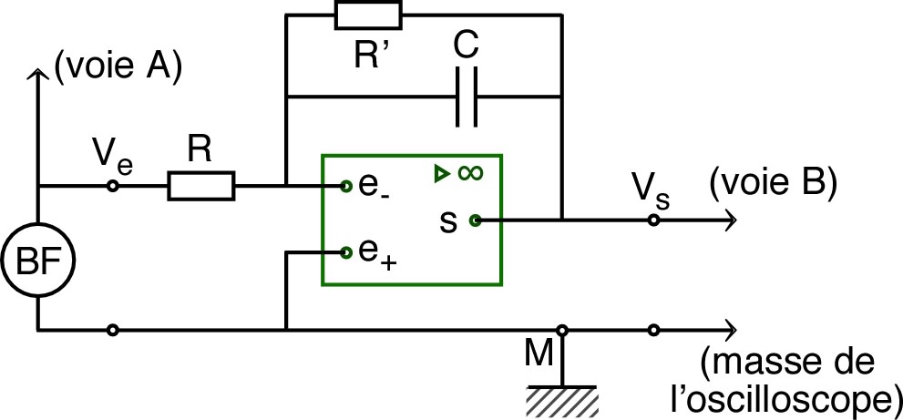
| • En pratique, on vérifie plus facilement
en sens inverse :
. Pour plusieurs valeurs de , , et , vérifier expérimentalement cette relation avec précision. |
![]() |
