
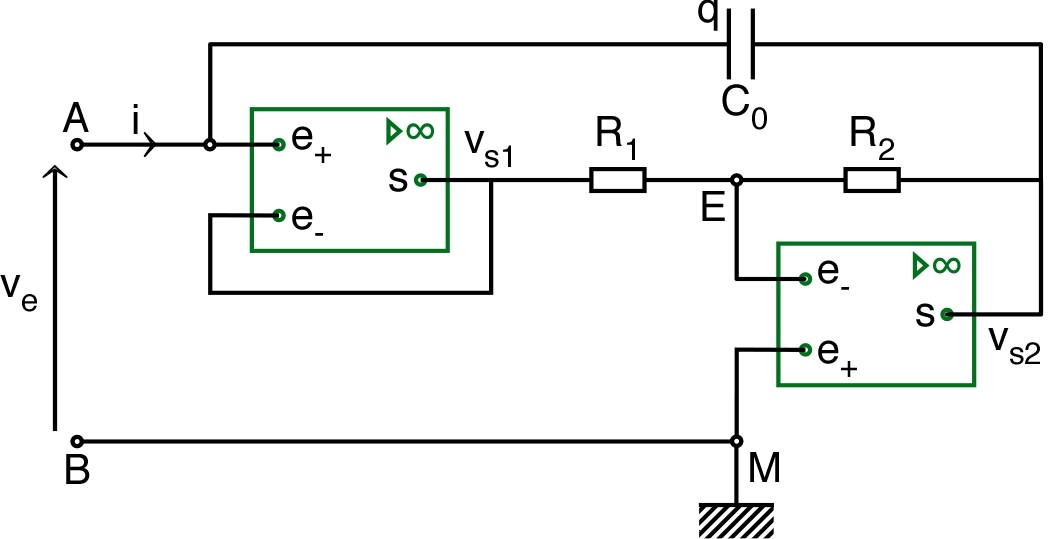
| • On
considère le montage ci-contre (de type “filtre de Rauch”),
réalisé à l'aide d'un A.O. parfait fonctionnant en régime
linéaire. La tension
imposée en entrée est sinusoïdale de pulsation . 1. a) En utilisant les notations complexes, exprimer en fonction de , , , et . b) En déduire en fonction de , , et . |
![]() |
