
| • Après avoir mesuré, à l'aide d'un
ohm-mètre électronique, la résistance de chacun des
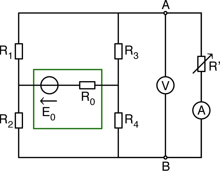
résistors utilisés, réaliser le circuit ci-contre. ◊ remarque : utiliser des résistances différentes, mais du même ordre de grandeur (entre et ). • Mesurer quelques points de fonctionnement du générateur équivalent entre et , c’est-à-dire mesurer et en sortie pour différentes valeurs de . Vérifier que la caractéristique est affine : , puis en déduire les valeurs expérimentales de , et équivalents. |
![]() |
|
; ; . |
| • Réaliser le circuit ci-contre (pont de
Wheatstone), avec deux résistances
et
(connues précisément), une boite de résistance étalonnée
réglable et
une résistance inconnue
. ◊ remarque : il existe des ponts de Wheatstone “préfabriqués”. • Pour fixé (générateur annexe), ajuster les ordres de grandeur de et de telle façon à annuler approximativement la tension (ne pas oublier de remesurer précisément et après le choix final). Ajuster plus précisément pour annuler le mieux possible. |
![]() |