



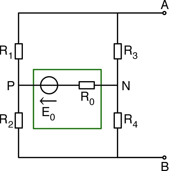
| Dans ces conditions, le courant est le
même dans
et
(ainsi en série) donc le principe du pont diviseur de
tension permet de calculer :
et de même
. Ainsi : . • Or, le générateur est alors branché sur une résistance équivalente à en parallèle avec : . Le principe du pont diviseur de tension indique donc : . |
![]() |
| Dans ces conditions, la tension est la
même pour
et
(ainsi en parallèle) donc le principe du pont diviseur de
courant donne :
et de même
. Ainsi : . • Par ailleurs, le générateur est alors branché sur une résistance équivalente à l'assemblage en série de ( et en parallèle) et de ; ainsi : . La loi de Pouillet indique alors : . |
![]() |