
| . |
| . |
| • Pour un circuit simple en série : (d'après la loi des mailles), d'où la loi de Pouillet : . |
| ◊ remarque : la somme algébrique des
doit tenir compte de leur convention d'orientation par
rapport au sens choisi comme positif ; par exemple, dans le
cas ci-contre :
. |
![]() |

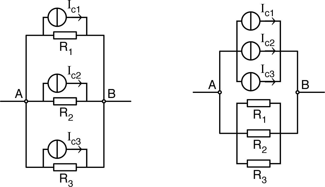
Par ailleurs, les conductances en
parallèle s'ajoutent :
.
|
![]() |
| . |
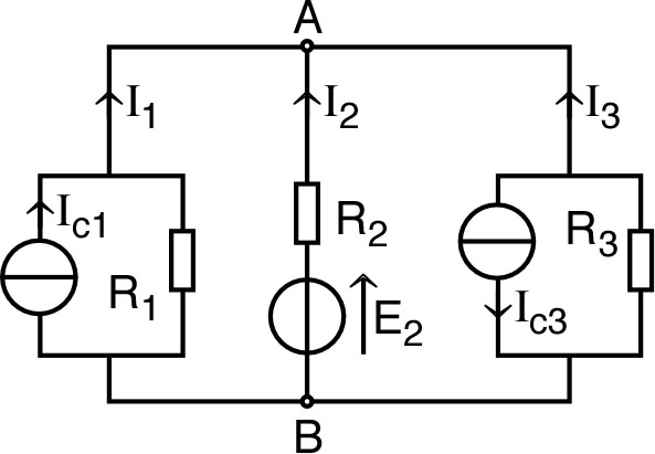
| • Pour un circuit simple en parallèle : (d'après la loi des nœuds), avec : ; d'où la loi de Millman : . |
| ◊ remarque : la somme algébrique des (ou ) doit tenir compte de leur orientation ; par exemple, dans le cas ci-contre : . | ![]() |
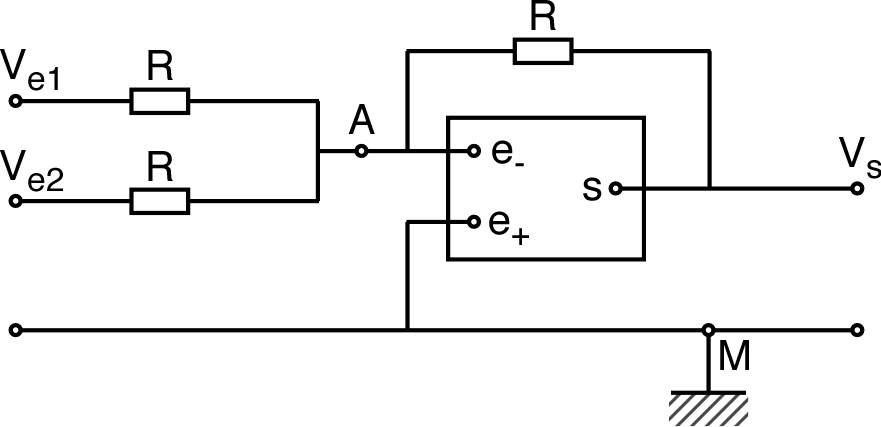
| ◊ remarque : si l'une des branches correspond à courant fixé (par exemple : générateur de Norton idéal non associé à une résistance ), la relation s'applique en simplifiant simplement () : . | ![]() |

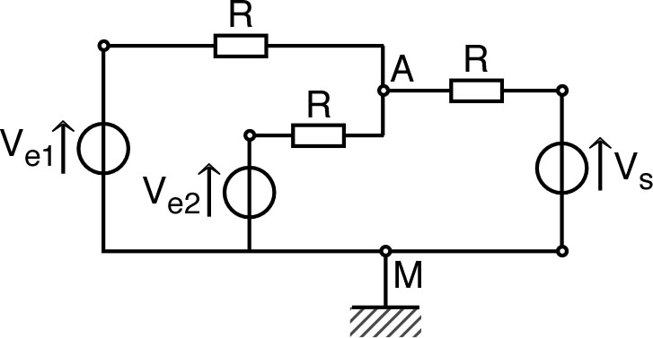
| ◊ |
des courants nuls dans les entrées et ; |
| ◊ |
une tension nulle entre ces entrées (). |
| La loi de Millman donne ainsi : . | ![]() |
|
![]() |