• La représentation d’un réseau physique par des équations
mathématiques nécessite de décrire :
| ◊ |
comment le réseau est raccordé (à l’aide des lois de Kirchhoff) ; |
| ◊ |
quels sont les appareils raccordés (on se limite ici à des dipôles). |
• On raisonne ici en régime “continu” (tensions et courants
constants), mais les principes sont encore valables en régime
“lentement” variable.
• L'intensité du courant électrique (en ampères) en un point
d'un circuit est le débit des charges électriques à travers la
“section” du fil en ce point.
◊ remarque : les charges électriques portées par les
constituants de la matière sont quantifiées, mais cela n'est pas
détectable dans les conditions usuelles car la charge élémentaire
est très petite.
◊ remarque : le sens conventionnel algébrique pour chaque
courant n'est pas forcément le “sens réel” (qui n'est pas toujours
connu) ; un courant
mesuré dans un sens équivaut à un courant dans
l'autre sens.
| • En régime (quasi) stationnaire, la conservation de la charge électrique dans un volume délimitant un nœud d'un réseau électrique, conduit à la “loi des nœuds” (algébrique) : . | ![]() |
• Le potentiel électrique (en volts) en un point d'un circuit
est une grandeur qui dépend de l'énergie des charges électriques
en ce point.
• En l’absence d’effets magnétiques variables, la tension
électrique entre deux points (grandeur mesurée par le voltmètre)
est la différence de potentiel entre ces points.
| • Cette propriété, appliquée autour d'une maille d'un réseau électrique, a pour conséquence la “loi des mailles” (algébrique) : . | ![]() |
2.3. Propriétés du système d'équations• Ces équations ne sont pas toutes indépendantes :
|
![]() |
• Les lois de Kirchhoff sont applicables en régime continu ou
“lentement” variable (ARQS), c'est-à-dire dont les variations sont
lentes en comparaison :
| ◊ |
des durées microscopiques caractéristiques du milieu (surtout pour les ions, peu mobiles) ; |
| ◊ |
des durées de propagation électromagnétiques. |
Le second effet est prépondérant pour les métaux : sur une
distance
,
le délai de propagation (à la vitesse de la lumière) est
:
; ceci limite l'étude des régimes périodiques à environ
.
• Pour décrire le fonctionnement caractéristique d'un dipôle, il
faut écrire une relation entre le courant qui le traverse et la
tension entre ses bornes.
Il faut préciser clairement les sens de mesure algébriques ; par
exemple par des indices pour les tensions ()
et par des flèches d'orientation des courants sur les branches du
réseau.
| • Un générateur de tension parfait est tel que : (f.e.m.) quel que soit le courant . | ||
|
||
| Un générateur de courant parfait est tel que : (courant de court-circuit) quelle que soit la tension . |
• À l'arrêt, un générateur de tension parfait est tel que
:
quel que soit le courant
(court-circuit).
![]() |
À l'arrêt, un générateur de courant parfait est tel que
:
quelle que soit la tension
(circuit ouvert).
• Pour un générateur quelconque, on peut toujours “linéariser”
la caractéristique au voisinage d'un point de fonctionnement
:

| • Avec les notations de Thévenin : ; la caractéristique d'un générateur peut se mettre sous la forme : (convention générateur), en notant : et . | ![]() |
| Avec les notations de Norton : ; la caractéristique d'un générateur peut se mettre sous la forme : (convention générateur), en notant : et . | ![]() |
• Puisque ces notations sont algébriques, elles s'appliquent
aussi aux récepteurs (recevoir de l'énergie consiste à en
“fournir” une quantité négative).
On peut au besoin utiliser la notion de force contre
électromotrice (f.c.e.m.), qui correspond à une f.e.m. en
opposition par rapport au courant.
On obtient ainsi, par exemple, pour une cuve à électrolyse :
![]() |
• Les lois de la forme :
(où les signes dépendent des conventions arbitraires d'orientation
de et
)
constituent donc une “loi d'Ohm généralisée” pour tous les dipôles
électrocinétiques en régime continu.
• L'association d'un générateur et d'un
récepteur donne un
courant
mais une méthode graphique permet de trouver le point de
fonctionnement même si les caractéristiques ne sont pas
linéarisées.
![]() |
![]() |
• Le travail électrique fourni à une charge
qui traverse une tension est
:
.
Les charges négatives circulent dans l'autre sens et contribuent
au travail avec le même signe :
.
Cette énergie est au fur et à mesure dépensée dans le circuit
(pour franchir une f.c.e.m., ou par pertes lors des chocs dus à
l'agitation thermique).
| Pour l'ensemble des porteurs de charge, cela correspond pendant une durée au travail : ; la puissance reçue (algébriquement) par le dipôle est donc : (avec ). |
• Pour un résistor (conducteur ohmique), on retrouve donc ainsi
l'effet Joule :
,
mais on peut généraliser aux autres dipôles.
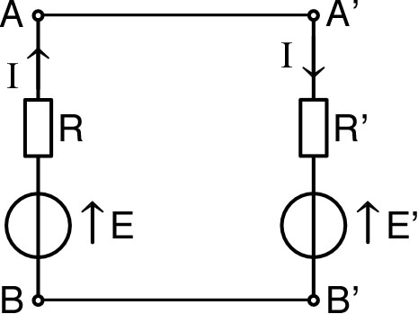
| Pour un générateur :
(en faisant attention au sens du courant : ici de
vers
). Cette puissance reçue est usuellement négative (le générateur fournit une puissance positive) ; mais elle peut être positive si un autre générateur en série impose :
|
|||||
| Pour un récepteur :
(en faisant attention au sens du courant : de
vers
). La partie électrique “utile” est alors transformée en autres formes d'énergie (mécanique, chimique...), alors que la partie est “perdue” par effet Joule. |
◊ remarque : pour un dipôle passif, la puissance reçue ne peut
pas être négative (bien que la formule semble le permettre dans
certains cas) car la modélisation cesse alors d’être valable ;
ainsi la relation
pour un électrolyseur n’est plus valable pour
.
📖 exercices n° I, II, III et IV