E.C.III - ÉLECTROCINÉTIQUE - RÉSEAUX



1. Principe de superposition (théorème d'Helmholtz)

• Pour un réseau dont les dipôles ont des caractéristiques affines, les équations décrivant le circuit sont linéaires :  j(RijIij)=jEij∑_j \left(R_{ij} \:I_{ij} \right)=∑_j E_{ij}  où les coefficients RijR_{ij} sont des résistances, où les EijE_{ij} sont des forces électromotrices (f.e.m.) et où on somme sur les branches  jj  constituant la maille  ii.

Pour de tels systèmes d’équations (linéaires), les courants et tensions causés par plusieurs générateurs sont les sommes des courants et tensions causés respectivement par chacun des générateurs (vrais ou modélisés).

☞ remarque : ceci suppose toutefois que les f.e.m. ont des valeurs “fixées” ; on ne peut pas généraliser aux dipôles “commandés” (dont la caractéristique dépend des tensions et/ou courants dans le circuit).

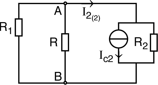
• On peut considérer par exemple le calcul du courant  I2I_2 ,  puis de la tension  UABU_{AB} ,  dans le montage ci-contre. elCinRes_Im/elCinRes_Im1.jpg

• Le courant causé par le générateur E1E_1 est :  I2(1)=RE1R1R2+(R1+R2)RI_{2_{(1)}}=\frac{R \:E_1}{R_1 \:R_2+(R_1+R_2 ) \:R}  ;  le courant causé par le générateur Ic2I_{c2} est :  I2(2)=(R+R1)R2Ic2R1R2+(R1+R2)RI_{2_{(2)}}=\frac{(R+R_1) \:R_2 \:I_{c2}}{R_1 \,R_2+(R_1+R_2 ) \:R} .

elCinRes_Im/elCinRes_Im2.jpg
elCinRes_Im/elCinRes_Im3.jpg

Le courant total cherché est donc :  I2=I2(1)+I2(2)=RE1+(R+R1)R2Ic2R1R2+(R1+R2)RI_2=I_{2_{(1)}}+I_{2_{(2)}}=\frac{R \:E_1+(R+R_1 ) \:R_2 \:I_{c2}}{R_1 \,R_2+(R_1+R_2 ) \:R} .

• Le principe de superposition s’applique aussi pour les tensions :

UAB(1)=R2I2(1)=RR2E1R1R2+(R1+R2)RU_{{AB}_{(1)}}=R_2 \:I_{2_{(1)}}=\frac{R \,R_2 \,E_1}{R_1 \,R_2+(R_1+R_2 ) \:R}  ;

UAB(2)=R2.(I2(2)Ic2)=RR1R2Ic2R1R2+(R1+R2)RU_{{AB}_{(2)}}=R_2 .\left(I_{2_{(2)}}-I_{c2} \right)=-\frac{R \:R_1 \:R_2 \:I_{c2}}{R_1 \:R_2+(R_1+R_2 ) \:R}  ;
donc au total :  UAB=UAB(1)+UAB(2)=RR2E1R1Ic2R1R2+(R1+R2)RU_{AB}=U_{{AB}_{(1)}}+U_{{AB}_{(2)}}=R \:R_2 \:\frac{E_1- R_1 \:I_{c2}}{R_1 \,R_2+(R_1+R_2 ) \:R}  (résultat de la loi de Millman).

📖 exercice n° I.


2. Théorème de Thévenin

• Si on ne s'intéresse qu'à l'une des branches, le calcul peut être simplifié.

D’après la linéarité des équations (caractéristiques affines), toute partie du réseau entre deux nœuds AA et BB donnés possède une caractéristique affine ; elle peut donc être représentée symboliquement par un générateur de Thévenin équivalent (théorème de Thévenin).

• Dans l'exemple étudié précédemment, la partie gauche du montage a une f.e.m. correspondant à sa tension “à vide” :  Eeq=UAB(0)=E1RR+R1E_{eq}=U_{{AB}_{(0)}}=E_1 \,\frac{R}{R+R_1}  et une résistance (générateur “arrêté”) :  Req=RR1R+R1R_{eq}=\frac{R \:R_1}{R+R_1} .

elCinRes_Im/elCinRes_Im4.jpg
elCinRes_Im/elCinRes_Im5.jpg

Il suffit alors d'en déduire le courant cherché par la loi de Pouillet :

I2=EeqR2Ic2Req+R2=E1RR2Ic2.(R+R1)R1R2+(R1+R2)RI_2=\frac{E_{eq}- R_2 \:I_{c2}}{R_{eq}+R_2}=\frac{E_1 \:R- R_2 \:I_{c2}.(R+R_1 )}{R_1 \:R_2+(R_1+R_2 ) \:R}.
elCinRes_Im/elCinRes_Im6.jpg

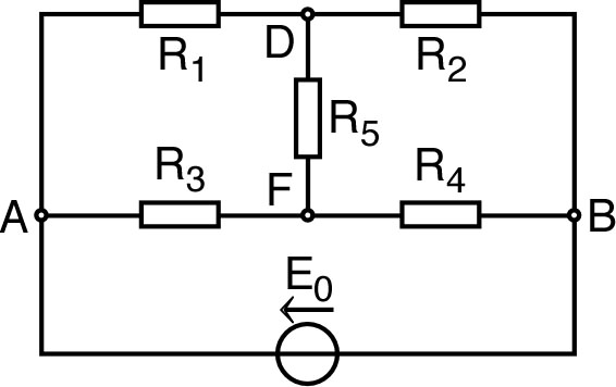
• On peut chercher par cette méthode la condition d'équilibre d'un pont de Wheatstone, en considérant le courant dans la branche DFDF (I5=0I_5=0) :

elCinRes_Im/elCinRes_Im7.jpg
elCinRes_Im/elCinRes_Im8.jpg


(circuit “à vide”)

La f.e.m. (tension UDFU_{DF} “à vide”, en l'absence de R5R_5) peut se calculer par la  méthode du pont diviseur de tension :

UAD=E0R1R1+R2U_{AD}=E_0 \,\frac{R_1}{R_1+R_2}   et   UAF=E0R3R3+R4U_{AF}=E_0 \,\frac{R_3}{R_3+R_4}  ;

Eeq=UDF=UAFUAD=E0R2R3R1R4(R1+R2)(R3+R4)E_{eq}=U_{DF}=U_{AF}-U_{AD}=E_0 \,\frac{R_2 \,R_3-R_1 \,R_4}{(R_1+R_2 )(R_3+R_4 )} .

La résistance équivalente entre DD et FF (générateur à l'arrêt) est :  Req=R1R2R1+R2+R3R4R3+R4R_{eq}=\frac{R_1 \:R_2}{R_1+R_2}+\frac{R_3 \:R_4}{R_3+R_4} . elCinRes_Im/elCinRes_Im9.jpg

• Si on cherche surtout “l’équilibre du pont”, défini par l’une ou l’autre des conditions :  I5=EeqReq+R5=0I_5=\frac{E_{eq}}{R_{eq}+R_5}=0  ou  UDF=R5I5=0U_{DF}=R_5 \:I_5=0 ,  on obtient :  Eeq=0E_{eq}=0 ,  donc :  R1R4=R2R3R_1 \:R_4=R_2 \:R_3 .


3. Théorème de Norton

• De même, pour un montage dont tous les dipôles ont des caractéristiques affines, toute partie du réseau entre deux nœuds AA et BB donnés possède aussi une caractéristique affine ; elle peut donc aussi être représentée symboliquement par un générateur de Norton équivalent (théorème de Norton).

En particulier, pour l’assemblage de deux générateurs en parallèle : les courants de court-circuit s’ajoutent et les conductances s’ajoutent.

◊ remarque : d'après l’équivalence des représentations de Thévenin et Norton  (U=ERIU=E-R \:I  équivaut à  I=IcGUI=I_c-G \:U  avec  Ic=ERI_c=\frac{E}{R}  et  G=1RG=\frac{1}{R} ),  le théorème de Norton n’est qu’une autre façon d’exprimer le théorème de Thévenin.

• On peut chercher ainsi la condition d'équilibre du pont de Wheatstone envisagé précédemment.

Le courant de court-circuit (en court-circuitant R5R_5) peut se calculer à partir de la loi de Pouillet et de la  méthode du “pont diviseur de courant” :

elCinRes_Im/elCinRes_Im7.jpg
elCinRes_Im/elCinRes_Im10.jpg


(circuit “à vide”)


I0=E0R13+R24I_0=\frac{E_0}{R_{13}+R_{24}}   avec   R13=R1R3R1+R3R_{13}=\frac{R_1 \:R_3}{R_1+R_3}  et  R24=R2R4R2+R4R_{24}=\frac{R_2 \:R_4}{R_2+R_4}  ;
I1=I0R3R1+R3I_1=I_0 \,\frac{R_3}{R_1+R_3}   et   I2=I0R4R2+R4I_2=I_0 \:\frac{R_4}{R_2+R_4}  ;
Iceq=IDF=I1I2=E0R2R3R1R4R1R3.(R2+R4)+R2R4.(R1+R3)I_{c_{eq}}=I_{DF}=I_1-I_2=E_0 \:\frac{R_2 \:R_3-R_1 \:R_4}{R_1 \:R_3.(R_2+R_4 )+R_2 \:R_4.(R_1+R_3 )}.

Le calcul de la conductance équivalente  (Geq=1ReqG_{eq}=\frac{1}{R_{eq}}  )  entre DD et FF est le même que pour la méthode de Thévenin.

• Si on cherche surtout “l’équilibre du pont”, défini par l’une ou l’autre des conditions :  UDF=IceqGeq+G5=0U_{DF}=\frac{I_{c_{eq}}}{G_{eq}+G_5}=0  ou  I5=G5UDF=0I_5=G_5 \:U_{DF}=0 ,  on obtient :  Iceq=0I_{c_{eq }}=0 ,  donc ici encore :  R1R4=R2R3R_1 \:R_4=R_2 \:R_3 .

📖 exercices n° II et III.