| • On
considère un “grillage infini” dont chaque branche a une
même résistance et
qui est alimenté entre deux nœuds voisins ( et
) par
un générateur de courant. 1. • Justifier qu'on peut utiliser avec ce réseau le théorème de superposition. 2. • On envisage d'utiliser le théorème de superposition avec les schémas ci-dessous, où le réseau est un peu modifié : la périphérie du grillage, “infiniment” éloignée, est supposée court-circuitée par un fil infiniment conducteur. Justifier que la superposition des courants des deux schémas est bien compatible avec le montage du réseau réel. |
![]() |
![]() |
![]() |
![]() |
![]() |
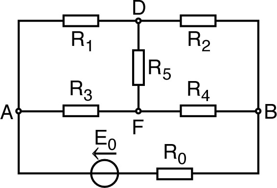
| • On
considère le “pont de Wheatstone” ci-contre, alimenté par un
générateur de courant. 1. • Calculer, par le théorème de Thévenin, le courant dans . 2. • Calculer, par le théorème de Norton, le courant dans . |
![]() |



![]() |
![]() |
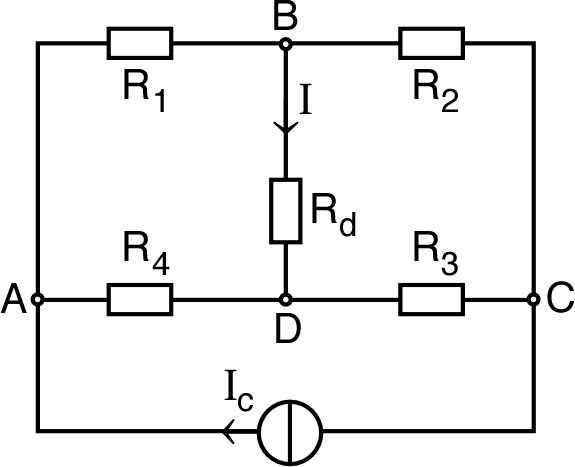
| 3. • On considère
maintenant le montage “collecteur commun” (la résistance de
charge est branchée entre et
). a) Relier les grandeurs , , et à celles du premier montage ( , , et ). b) Montrer que (exprimer les en fonction des ) : ; . c) Reprendre les applications numériques de la question (2) pour ce montage. |
![]() |