| ◊ de vérifier
expérimentalement la validité de ces relations ; ◊ de tester si elles permettent de mesurer les caractéristiques , et des bobines et condensateurs. |


| • Au contraire, pour les faibles
déphasages, il est souvent plus précis d’utiliser la
méthode des “courbes de Lissajous” (mais elle
n’indique pas le signe du déphasage). En mode “XY”, pour deux signaux sinusoïdaux de même fréquence, les courbes de Lissajous sont des ellipses ; la valeur de se déduit du rapport entre la largeur de l’intersection avec l’axe et la largeur totale. ◊ remarque : la méthode de Lissajous n'indique pas le signe de car l'ellipse n'en dépend pas ; seul le sens de parcours en dépend mais, sauf à très faible fréquence, l'œil ne distingue pas le mouvement de “rotation” du point lumineux qui trace l'ellipse sur l'écran. |
![]() |
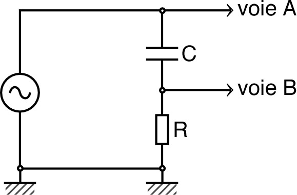
| • Réaliser le montage ci-contre avec un
résistor de résistance
et un condensateur de capacité
. ◊ remarque : d’une façon générale, il faut ne pas se contenter des indications écrites sur les dipôles (l'incertitude est souvent ou plus) ; mesurer la résistance à l'aide d'un contrôleur électronique et la capacité à l’aide d’un capacimètre. |
![]() |
| ◊ une pour calculer
l'impédance en proportion de
:
; ◊ une pour calculer la tangente du déphasage ( dans ce cas) : . |
| ◊ la fréquence
(précisément, mais sans perdre de temps à essayer d'imposer
une valeur précise :
est tout aussi acceptable que
)
; ◊ les deux tensions et (maximum ou efficace) ; ◊ leur déphasage. |
| • En modifiant un peu la méthode, comme
cela est indiqué dans la suite, reprendre la même
manipulation pour le montage suivant, réalisé avec un
résistor de résistance
et une bobine d'inductance
et de résistance . ◊ remarque : mesurer le valeurs des résistances et à l'aide d'un contrôleur électronique, celle de à l’aide d’un inductancemètre). |
![]() |