RÉGIME SINUSOÏDAL ; PONTS D’IMPÉDANCES - TP2



1. Représentations de Thévenin et de Norton

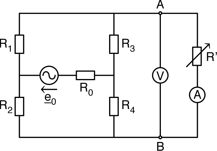
• Après avoir mesuré, à l'aide d'un ohm-mètre électronique, la résistance de chacun des résistors utilisés, réaliser le circuit ci-contre.

◊ remarque : utiliser des résistances différentes, mais du même ordre de grandeur, entre  5050  et  1000Ω1000 \:\mathrm{Ω}  (par ailleurs  R0=50ΩR_0=50 \:\mathrm{Ω}  pour la sortie du générateur B.F.).
impedance_TP2_Im/impedance_TP2_Im1.jpg

◊ remarque : en cas d'utilisation de contrôleurs comportant une prise de terre, vérifier la compatibilité des branchements (ou isoler certaines masses de la prise de terre).

• Régler le générateur B.F. sur une fréquence entre  5050  et  1000Hz1000 \:\mathrm{Hz}  ;  mesurer au préalable la f.e.m. E_0\underline{E}_0 .

En faisant varier RR', mesurer quelques points de fonctionnement du générateur équivalent entre AA et BB :  vérifier que la caractéristique est affine ; calculer  E_\underline{E} ,  RR  et  I_c\underline{I}_c  équivalents.

• Comparer les valeurs  E_\underline{E} ,  RR  et  I_c\underline{I}_c  équivalentes aux résultats des calculs “théoriques” :

E_=E_0R2R3R1R4(R1+R3)(R2+R4)+R0.(R1+R2+R3+R4)\displaystyle \underline{E}=\underline{E}_0 \:\frac{R_2 \:R_3-R_1 \:R_4}{(R_1+R_3 )(R_2+R_4 )+R_0 .(R_1+R_2+R_3+R_4 )}  ;
I_c=E_0R2R3R1R4R0.(R1+R2)(R3+R4)+R1R2.(R3+R4)+R3R4.(R1+R2)\displaystyle \underline{I}_c=\underline{E}_0 \:\frac{R_2 \,R_3-R_1 \,R_4}{R_0 .(R_1+R_2 )(R_3+R_4 )+R_1 \,R_2 .(R_3+R_4 )+R_3 \,R_4 .(R_1+R_2 )}  ;
R=E_I_c\displaystyle R=\frac{\underline{E}}{\underline{I}_c} .

◊ remarque : ces expressions sont déduites d'un calcul théorique, mais les valeurs obtenues par les applications numériques correspondantes sont en partie expérimentales puisqu'elles dépendent des valeurs des résistances et de la f.e.m. qui sont mesurées ; ces valeurs “théoriques” ont donc aussi une incertitude.


2. Inductance et résistance d'une bobine

• Le montage ci-contre (simple pont diviseur de tension) permet de mesurer précisément la résistance et l'inductance d'une bobine, à condition d'utiliser des voltmètres “parfaits” (d'impédance d'entrée très grande).

Il peut être réalisé (selon le groupe de TP) avec une bobine :

sans noyau,
ou avec noyau de fer feuilleté,
ou avec noyau d’aluminium,
ou avec noyau de cuivre.

◊ remarque : mesurer au préalable LL (avec un inductance-mètre) et rr (avec un ohm-mètre) : ceci donne une mesure précise à “basse” fréquence.

• En “équilibrant” le pont par la méthode décrite ci-après, on veut ainsi mesurer LL et rr en fonction de la fréquence NN du générateur B.F. (depuis 50Hz≈50 \:\mathrm{Hz}  jusqu'à 25𝐤𝐢𝐥𝐨hertz≈25 \:\mathbf{kilo}\mathrm{hertz}  si possible).

◊ remarque : il faut des capacités de 200μF≈200 \:\mathrm{μF}  à 𝟏𝟎𝟎𝐩𝐢𝐜𝐨farads≈\mathbf{100} \:\mathbf{pico}\mathrm{farads} .
impedance_TP2_Im/impedance_TP2_Im2.jpg

• Pour équilibrer le pont, il faut observer en mode “XY” et, pour chaque valeur de la fréquence :

ajuster CC pour obtenir que les deux tensions soient en phase (on observe un segment de droite en diagonale) ; on en déduit alors :  L=1Cω2\displaystyle L=\frac{1}{C \,ω^2}  ;
le circuit étant alors purement résistif (pont diviseur de tension) :  VAVB=r+RR\displaystyle \frac{V_A}{V_B} =\frac{r+R}{R}  donc   r=R(VAVB1)\displaystyle r=R \:\left(\frac{V_A}{V_B} -1\right) .

L’équilibre du pont nécessite toutefois un réglage précis de la capacité ; il est donc en pratique plus simple de choisir des valeurs de CC approximatives et d'ajuster au contraire ωω pour obtenir l’équilibre, mais il faut veiller à choisir les capacités de façon telle à mesurer sur toute la gamme de ωω demandée.

Pour mesurer avec précision, il faut en outre choisir une résistance réglable RR d'un ordre de grandeur comparable à rr ; ceci impose d'augmenter RR au fur et à mesure qu'on constate que  rr  augmente en fonction de la fréquence. Par contre, il faut ne pas dépasser 500Ω500 \:\mathrm{Ω} (voire même éviter de dépasser 200Ω200 \:\mathrm{Ω} ) pour rester très en dessous de la résistance RoscR_{osc} de l'oscilloscope (1MΩ≈1 \:\mathrm{MΩ} ) ; sinon, cela limite la bande passante de l'oscilloscope et on ne peut pas détecter la limitation de bande passante de la bobine.

☞ remarque : pour mesurer les tensions efficaces plus facilement que par lecture sur l'oscilloscope, il est judicieux d'ajouter en parallèle des voltmètres de précision (les multimètres usuels sont peu précis au delà de quelques kilohertz, il faut ici qu'ils supportent 30kHz30 \:\mathrm{kHz} !) ; l’oscilloscope n'est alors nécessaire que pour observer avec précision le déphasage nul (“équilibre de phase”), mais il est tout de même utile pour contrôler le bon fonctionnement des voltmètre à haute fréquence.

• Représenter les variations de LL et rr en fonction de NN avec des échelles logarithmiques :  log(L)\log(L)  et  log(r)\log(r)  en fonction de  log(N)\log(N) .  Conclure.

◊ remarque : l'inductance est plus grande avec le noyau de fer feuilleté (aimantation induite) ; elle est un peu plus faible avec un noyau de métal non feuilleté (champ magnétique des courants induits en sens contraire) ; l'inductance augmente un peu à haute fréquence (mais les incertitudes de mesure sont souvent trop grandes pour l'observer nettement).

◊ remarque : la résistance est plus grande avec le noyau, surtout s'il n'est pas feuilleté (courants induits dans le noyau) ; elle augmente à haute fréquence en l'absence du noyau (effet de peau, en N2N^2 ) ; elle augmente plus vite avec la fréquence en présence du noyau (courants induits et hystérésis magnétique).

◊ remarque : certains manuels d'électrocinétique proposent le montage ci-contre (pont de Hay-Maxwell), dont l'équilibre correspond à :  Z_1Z_4=R2R3\underline{Z}_1 \:\underline{Z}_4=R_2 \:R_3   avec   Z_1=r+jLω\underline{Z}_1=r+\mathrm{j} L\,ω   et   Z_4=R1+jRCω\displaystyle \underline{Z}_4=\frac{R}{1+\mathrm{j} RC \,ω}  d'où on déduit :  L=R2R3CL=R_2 \,R_3 \:C   et   r=R2R3R\displaystyle r=\frac{R_2 \,R_3}{R}  ;  les montages de ce type (où l'équilibre est repéré par un zéro du détecteur) étaient indispensables quand on ne disposait pas de voltmètres “parfaits”, mais ils sont inutilement difficiles à équilibrer (les inévitables parasites compliquent l'observation d'un signal nul). impedance_TP2_Im/impedance_TP2_Im3.jpg


3. Rangement

• Ne pas oublier…




RÉGIME SINUSOÏDAL ; PONTS D’IMPÉDANCES - TP2


Matériel

Au bureau

capacimètres
inductance-mètres
assortiment de résistors
assortiment de condensateurs
boite de fiches pour résistors et condensateurs
barreaux d’aluminium et de cuivre pour remplacer le noyau en fer des bobines
        (ceux des montages sur la conduction de la chaleur sont parfaits pour cela)


Pour chaque groupe  (10 groupes)

3 adaptateurs BNC
1 raccord “en T” BNC
1 générateur BF
1 oscilloscope
12 fils (des longs et des courts)
2 câbles coaxiaux (BNC d’un seul côté)
2 câbles coaxiaux (BNC des deux côtés)    
2 contrôleurs électroniques
boites de condensateurs à décades et autres condensateurs divers
        (pour couvrir la gamme de  100pF100 \:\mathrm{pF}  à  200μF200 \:\mathrm{μF} )
1 boite de résistors  ×1×1  à  ×1000Ω×1000 \:\mathrm{Ω}
1 bobine avec noyau réglable