RÉGIME SINUSOÏDAL - NOTION D’IMPÉDANCE - exercices


A. EXERCICES DE BASE

I. Réalisation d'un champ tournant

        • Deux bobines identiques, d'inductance LL et de résistance RR, sont disposées de façon que leurs axes se coupent à angle droit, en un point OO équidistant de leurs centres :

impedance_ex_Im/impedance_ex_Im1.jpg

1.     • Montrer que si ces bobines sont alimentées par des courants alternatifs de pulsation ω0ω_0 et de même amplitude  ImI_m ,  mais déphasés de π2\frac{π}{2} , alors le champ magnétique résultant en OO a une norme constante et tourne dans le plan à la vitesse angulaire ω0ω_0 .
        ◊ indication : au voisinage du point OO, chaque bobine crée un champ magnétique orienté selon son axe.

2.     • Quelle capacité CC et quelle résistance RR' doit-on placer en série avec l'une des bobines pour réaliser les conditions précédentes ?


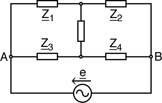
II. Pont de Wheatstone en régime alternatif

        • On considère un “pont de Wheatstone” alimenté par un générateur de tension alternative, de pulsation ωω telle que  LCω2=1L \:C \:ω^2=1 .

impedance_ex_Im/impedance_ex_Im2.jpg
impedance_ex_Im/impedance_ex_Im3.jpg

1.     • La généralisation directe des démonstrations en régime continu suggère que la condition d'équilibre du pont, correspondant à un courant nul dans la branche centrale, peut s'écrire :  Z_1Z_4=Z_2Z_3\underline{Z}_1 \: \underline{Z}_4=\underline{Z}_2 \: \underline{Z}_3 .
        • On suppose que les bobines d'inductance LL ont une résistance nulle. Vérifier que la condition “usuelle” d'équilibre du pont est réalisée. En conclure quelle valeur devrait avoir le courant i_\underline{i} .

2.     • En utilisant les symétries du problème, préciser la répartition des courants dans toutes les branches du circuit. En déduire que le courant dans la résistance est :  i_=jCωe_ \underline{i}=-\mathrm{j}Cω \;\underline{e} .

3.     • Pour éviter la contradiction entre les deux résultats précédents, reprendre le calcul général de i_\underline{i} (par exemple avec le théorème de Thévenin) en prenant en compte la résistance rr des bobines, puis en faisant tendre rr vers zéro.


III. Pont en “P/Q” et pont en “PQ”

        • On considère les montages en “pont de Wheatstone” suivants, où PP et QQ sont des résistances, Z_\underline{Z} est une impédance inconnue, et Z_0\underline{Z}_0 est une impédance complexe réglable connue (par exemple un assemblage de boites de résistances et de boites de capacités) ; le “détecteur” utilisé est un oscilloscope.

impedance_ex_Im/impedance_ex_Im4.jpg

        • Écrire, pour chaque montage, la condition d'équilibre ; montrer que le montage en “P/Q” permet de comparer des impédances de même nature (capacités ou inductances), alors que le montage en “PQ” permet de comparer des capacités à des inductances.


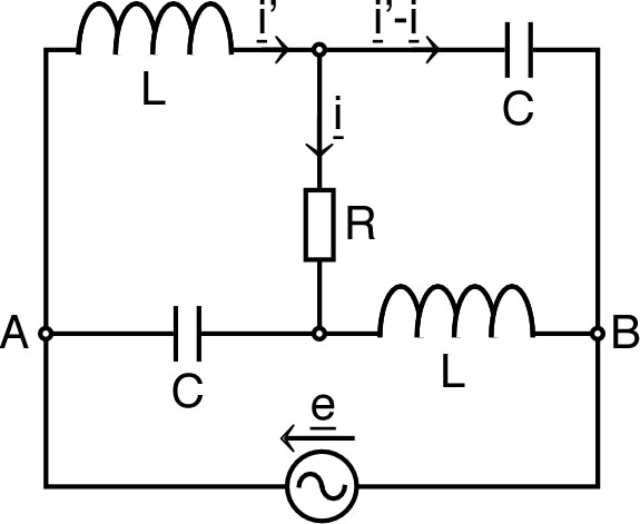
IV. Équation différentielle

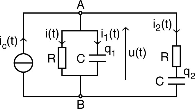
1.     • On considère le circuit suivant, soumis à un échelon de courant  ( ic(t)=0i_c (t)=0  pour  t<0t<0  ;  ic(t)=Ii_c (t)=I  constant pour  t0t≥0 )  ; on suppose en outre que les condensateurs sont initialement non chargés).

impedance_ex_Im/impedance_ex_Im5.jpg

        a) Écrire les relations entre les cinq inconnues :  ii ,  i1i_1 ,  i2i_2 ,  q1q_1  et  q2q_2 .
        b) En déduire l'équation différentielle vérifiée par  i2(t)i_2 (t) .

2.     • On suppose maintenant que le générateur de courant impose un régime sinusoïdal permanent  (d'après  i_c(t)=Imejωt\underline{i}_c (t)=I_m \; \mathrm{e}^{\mathrm{j}ωt} ).
        a) En considérant les impédances complexes, établir l'expression de  i_2(t)\underline{i}_2 (t) .
        b) Vérifier qu'on peut ainsi retrouver rapidement l'équation différentielle obtenue à la question (1).



B. EXERCICE D'APPROFONDISSEMENT

V. Transformée de Fourier

        • Cet exercice décrit une méthode générale d'étude des réseaux à partir des régimes sinusoïdaux, pour les systèmes obéissant à une équation différentielle linéaire à coefficients constants.
        • Soit f(t)f(t) une fonction intégrable sur , c'est à dire telle que  f(t)dt\displaystyle ∫_{-∞}^∞ f(t) \:dt   existe  ;  ceci suppose que  f(t)f(t)  décroit suffisamment vite à l'infini. On définit une autre fonction par :   φ(ω)=f(t)ejωtdt\displaystyle φ(ω)=∫_{-∞}^∞ f(t) \;\mathrm{e}^{-\mathrm{j}ω t} \; dt   où  ωω∈ℝ .  La fonction φ(ω)φ(ω) est appelée “transformée de Fourier” de f(t) f(t), ce qui peut se noter de façon formelle :  φ={f}φ=ℱ\{f\} .  On admet ici que, dans des conditions assez générales, la transformation de Fourier est biunivoque

1.     a) Montrer que :  {λf(t)+μg(t)}=λ{f(t)}+μ{g(t)}ℱ\{λ \:f(t)+μ \:g(t)\}=λ \:ℱ\{f(t)\}+μ \:ℱ\{g(t)\} .
        b) Montrer que :  {f(αt)}=1|α|φ(ωα)ℱ\{f(α \:t)\}=\frac{1}{|α|}\: φ\left(\frac{ω}{α}\right) .
        c) Montrer que :  {f(t+t0)}=φ(ω)ejωt0ℱ\{f(t+t_0)\}=φ(ω) \;\mathrm{e}^{\mathrm{j}ω t_0 } .
        d) Montrer que :  {f(t)ejω0t}=φ(ωω0)ℱ\{f(t) \;\mathrm{e}^{\mathrm{j}ω_0 t} \}=φ(ω-ω_0) .
        e) Montrer que :  {df(t)dt}=jωφ(ω)\displaystyle ℱ\left\{\frac{df(t)}{dt}\right\}=\mathrm{j}ω \;φ(ω) .
        f) Montrer que :  {jtf(t)}=dφ(ω)dω\displaystyle ℱ\{\mathrm{j}t \:f(t)\}=-\frac{dφ(ω)}{dω} .
        g) Montrer que :  {tf(u)du}=1jωφ(ω)\displaystyle ℱ\left\{∫_{-∞}^t f(u) \:du\right\}=\frac{1}{\mathrm{j}ω} \: φ(ω) .

2.     • Le “produit de convolution”  h=f*gh=f*g  de deux fonctions intégrables ff et gg est une fonction définie par la relation :  h(t)=f(tτ)g(τ)dτ\displaystyle h(t)=∫_{-∞}^∞ f(t-τ) \:g(τ) \:dτ .
        • Montrer que :  {f*g}={f}{g}ℱ\{f*g\}=ℱ\{f\} \; ℱ\{g\} .

3.     • On peut définir une transformation de Fourier inverse :  f(t)=12πφ(ω)ejωtdω=˜{φ}\displaystyle f(t)=\frac{1}{2π} \: ∫_{-∞}^∞ φ(ω)\; \mathrm{e}^{\mathrm{j}ωt} \; dω=\tilde{ℱ}\{φ\} .
        • Commenter.

4.     • On considère le circuit ci-contre, en régime sinusoïdal permanent.
        a) Écrire l'équation intégro-différentielle entre i(t)i(t)  et  e(t)e(t) .
        b) En posant :  (ω)={i(t)}ℐ(ω)=ℱ\{i(t)\}  et  (ω)={e(t)}ℰ(ω)=ℱ\{e(t)\} ,  trouver la relation entre (ω)ℐ(ω) et (ω)ℰ(ω) ; commenter.
impedance_ex_Im/Fourier.jpg