


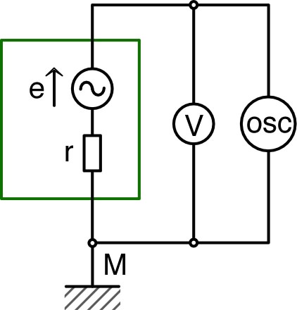
| • Imposer l'amplitude du signal sinusoïdal
du générateur ; utiliser le mode DC de l'oscilloscope pour
contrôler l'amplitude et vérifier qu'elle est indépendante
de la fréquence jusqu'à plusieurs centaines de
(ceci consiste à vérifier que le générateur et
l'oscilloscope ne limitent pas la bande passante étudiée). • Brancher un voltmètre en parallèle ; étudier la valeur efficace apparente du signal en fonction de la fréquence (en partant de vers les hautes fréquences) ; déterminer la limite de bande passante du voltmètre. ◊ remarque : il est intéressant de tester plusieurs voltmètres ; comparer un voltmètre “ordinaire” et un voltmètre de qualité supérieure. |
![]() |
