RÉGIMES TRANSITOIRES - CIRCUITS RL ET RC - corrigé des exercices


A. EXERCICES DE BASE

I. Établissement et rupture d'un courant

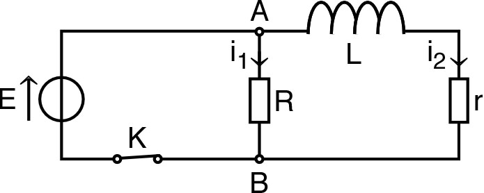
1. • Lorsqu’on ferme l’interrupteur, il apparaît des courants i1i_1 et i2i_2 tels que :  E=Ri1=ri2+Ldi2dt\displaystyle E=R \:i_1=r \:i_2+L \:\frac{di_2}{dt} .

transRL-RC_cor_Im/transRL-RC_cor_Im1.jpg

• La première relation donne  i1=ER\displaystyle i_1=\frac{E}{R} .  La seconde peut s’écrire  di2dt+rLi2=EL\displaystyle \frac{di_2}{dt}+\frac{r}{L}\:i_2=\frac{E}{L}  ;  les solutions sont de la forme :  i2=Er+Aet/τ2\displaystyle i_2=\frac{E}{r}+A \:\mathrm{e}^{-t/τ_2 } avec  τ2=Lr\displaystyle τ_2=\frac{L}{r}  ;  les conditions initiales (courant raisonnablement nul) imposent :  i2=Er(1et/τ2)\displaystyle i_2=\frac{E}{r} \:(1-\mathrm{e}^{-t/τ_2 } ) .

2. • Après un temps assez long  (tτ2t≫τ_2),  on peut supposer que la limite est atteinte :  i2Er\displaystyle i_2≈\frac{E}{r}  ;  on ouvre alors l’interrupteur :

transRL-RC_cor_Im/transRL-RC_cor_Im2.jpg

• Les courants i1i_1 et i2i_2 sont alors tels que :  i1=i2i_1=-i_2  et  uAB=Ri2=ri2+Ldi2dt\displaystyle u_{AB}=-R \:i_2=r \:i_2+L \:\frac{di_2}{dt} .  Cette équation peut s’écrire  di2dt+r+RLi2=0\displaystyle \frac{di_2}{dt}+\frac{r+R}{L} \:i_2=0  ;  les solutions sont de la forme :  i2=Aet/τ1i_2=A \:\mathrm{e}^{-t/τ_1 }  avec  τ1=Lr+R\displaystyle τ_1=\frac{L}{r+R}  ;  les conditions initiales imposent :  i2=Eret/τ1\displaystyle i_2=\frac{E}{r} \:\mathrm{e}^{-t/τ_1 } .
• On en déduit la tension :  uAB=Ri2=RrEet/τ1\displaystyle u_{AB}=-R \:i_2=-\frac{R}{r} \:E \:\mathrm{e}^{-t/τ_1 } .  Cette tension est d’autant plus rapidement décroissante que la résistance RR est grande, dans la mesure où  τ1=Lr+R\displaystyle τ_1=\frac{L}{r+R}  est d’autant plus petit ; mais la valeur initiale :  uAB(0)=RrE\displaystyle u_{AB} (0)=-\frac{R}{r} \:E  peut être alors très supérieure à EE si  RrR≫r .


II. Associations d'inductances ou de capacités

1. • La loi caractéristique d'une inductance peut s'écrire :  u=Ldidt\displaystyle u=L \:\frac{di}{dt} .  Pour un assemblage de deux inductances en série, donc parcourues par le même courant, l'addition des tensions correspond à :

u=u1+u2=L1didt+L2didt=(L1+L2)didt\displaystyle u=u_1+u_2=L_1 \:\frac{di}{dt}+L_2 \:\frac{di}{dt}=(L_1+L_2) \:\frac{di}{dt} .
• L'assemblage se comporte donc comme une inductance  L1+L2L_1+L_2 .

2. • La loi caractéristique d'une capacité peut s'écrire :  i=Cdudt\displaystyle i=C \:\frac{du}{dt} .  Pour un assemblage de deux capacités en parallèle, donc soumises à une même tension, l'addition des courants correspond à :

i=i1+i2=C1dudt+C2dudt=(C1+C2)dudt\displaystyle i=i_1+i_2=C_1 \:\frac{du}{dt}+C_2 \:\frac{du}{dt}=(C_1+C_2)\:\frac{du}{dt} .
• L'assemblage se comporte donc comme une inductance  C1+C2C_1+C_2 .


III. Réponse à un échelon de courant

1.a. • La loi des nœuds impose :  ic=i+ii_c=i+i' .


1.b. • La loi des mailles impose :  Ri=Ldidt\displaystyle R \:i'=L \:\frac{di}{dt} .
• La combinaison des équations précédentes donne :  didt+RLi=RLic\displaystyle \frac{di}{dt}+\frac{R}{L} \:i=\frac{R}{L} \:i_c .
• Puisque l'énoncé n'indique aucune manipulation ayant pu faire apparaître un courant dans le circuit pour  t<0 t<0,  le courant y est normalement nul (il n'y a que des dipôles récepteurs).


1.c. • Pour  t<0t<0,  la solution de l'équation différentielle est de la forme :  i=Aet/τi=A \:\mathrm{e}^{-t/τ}  avec une constante de temps :  τ=LR\displaystyle τ=\frac{L}{R} .  La situation étant invariante pour tout  t<0t<0,  la seule solution possible est :  i=0i=0 .  On en déduit par conséquent :  i=LRdqdt=0\displaystyle i'=\frac{L}{R} \:\frac{dq}{dt}=0 .
• Pour  t0t≥0,  la solution de l'équation différentielle est de la forme :  i=I+Aet/τi=I+A \:\mathrm{e}^{-t/τ}  et les conditions initiales imposent :  i=I.(1et/τ)i=I.(1-\mathrm{e}^{-t/τ} ) .  On en déduit alors :  i=LRdqdt=Iet/τ\displaystyle i'=\frac{L}{R} \:\frac{dq}{dt}=I \:\mathrm{e}^{-t/τ} .


1.d. • L'allure des variations du courant i est la suivante :

transRL-RC_cor_Im/transRL-RC_cor_Im3.jpg

• L'allure des variations du courant  i=LRdqdt\displaystyle i'=\frac{L}{R} \:\frac{dq}{dt}  est la suivante :

transRL-RC_cor_Im/transRL-RC_cor_Im4.jpg


2.a.
• La loi des nœuds impose :  ic=i+ii_c=i+i' .
• La loi des mailles impose :  Ri=qC\displaystyle R \:i'=\frac{q}{C} .
• La charge du condensateur impose :   i=dqdt\displaystyle i=\frac{dq}{dt} .


2.b. • La combinaison des équations précédentes donne :  dqdt+qRC=ic\displaystyle\frac{dq}{dt}+\frac{q}{R \:C}=i_c .  Pour  t<0t<0,  cela correspond à :  dqdt+qRC=0\displaystyle\frac{dq}{dt}+\frac{q}{R \:C}=0  ;  pour  t0t ≥ 0,  cela correspond à :  dqdt+qRC=I\displaystyle\frac{dq}{dt}+\frac{q}{R \:C}=I .
• Puisque l'énoncé n'indique aucune manipulation ayant pu faire apparaître une charge du condensateur pour  t<0t<0,  la charge y est normalement nulle (il n'y a que des dipôles récepteurs).


2.c. • Pour  t<0t<0,  la solution de l'équation différentielle est de la forme :  q=Aet/τq=A \:\mathrm{e}^{-t/τ}  avec une constante de temps :  τ=RCτ=R\: C .  La situation étant invariante pour tout  t<0t<0,  la seule solution possible est :  q=0q=0 .  On en déduit par conséquent :  i=qτ=0\displaystyle i'=\frac{q}{τ}=0  et  i=dqdt=0\displaystyle i=\frac{dq}{dt}=0 .
• Pour  t0t≥0,  la solution de l'équation différentielle est de la forme :  q=Iτ+Aet/τq=I \:τ+A \:\mathrm{e}^{-t/τ}  et les conditions initiales imposent :  q=Iτ.(1et/τ)q=I \:τ .(1-\mathrm{e}^{-t/τ} ) .  On en déduit :  i=qτ=I.(1et/τ)\displaystyle i'=\frac{q}{τ}=I .(1-\mathrm{e}^{-t/τ} )   et   i=dqdt=Iet/τ\displaystyle i=\frac{dq}{dt}=I \:\mathrm{e}^{-t/τ} .


2.d. • L'allure des variations de la charge qq est la suivante (et les variations de  i=qτ\displaystyle i'=\frac{q}{τ}  sont semblables, à un coefficient de proportionnalité près).

transRL-RC_cor_Im/transRL-RC_cor_Im5.jpg

• L'allure des variations du courant  i=dqdt\displaystyle i=\frac{dq}{dt}  est la suivante.

transRL-RC_cor_Im/transRL-RC_cor_Im6.jpg


IV. Réponse à une “impulsion” de tension

1.a. • Pour considérer le signal comme une impulsion de tension, il faut :  ετε≪τ  où  τ=RCτ=R \:C  est la constante de temps caractéristique du circuit RC.


1.b. • Pour  t<0t<0,  la loi des mailles  Ri+qC=0\displaystyle R \:i+\frac{q}{C}=0  donne l'équation différentielle :  dqdt+qRC=0\displaystyle \frac{dq}{dt}+\frac{q}{R \:C}=0 .  L'invariance du système pour tout  t<0t<0  correspond à :  q=0q=0  et  i=0i=0 .
• Pour  0tε0≤t≤ε,  l'équation différentielle s'écrit :  dqdt+qRC=ER\displaystyle \frac{dq}{dt}+\frac{q}{R \:C}=\frac{E}{R} .   Les solutions sont de la forme :  q=CE+Aet/τq=C \:E+A \:\mathrm{e}^{-t/τ}  et les conditions initiales imposent :  q=CE.(1et/τ)q=C \:E .(1-\mathrm{e}^{-t/τ} ) .  Ainsi :  i=dqdt=ERet/τ\displaystyle i=\frac{dq}{dt}=\frac{E}{R} \:\mathrm{e}^{-t/τ} .
• Pour  t>εt>ε,  l'équation différentielle :  dqdt+qRC=0\displaystyle \frac{dq}{dt}+\frac{q}{R \:C}=0   a des solutions de la forme :  q=Aet/τq=A \:\mathrm{e}^{-t/τ}  et les conditions initiales imposent :  q=CE.(eε/τ1)et/τq=C \:E .(\mathrm{e}^{ε/τ}-1) \:\mathrm{e}^{-t/τ} .  Ainsi :  i=dqdt=ER.(1eε/τ)et/τ\displaystyle i=\frac{dq}{dt}=\frac{E}{R} .(1-\mathrm{e}^{ε/τ} ) \:\mathrm{e}^{-t/τ} .
• L'allure des variations de la charge est la suivante.

transRL-RC_cor_Im/transRL-RC_cor_Im7.jpg

• L'allure des variations du courant est la suivante.

transRL-RC_cor_Im/transRL-RC_cor_Im8.jpg


1.c. • Pour  0tε0≤t≤ε,  la limite  ετε≪τ  correspond à :  qERt\displaystyle q≈\frac{E}{R} \:t   et  iER\displaystyle i≈\frac{E}{R} .
• Pour  t>εt>ε,  la limite  ετε≪τ  correspond à :  qEεRet/τEεR\displaystyle q≈\frac{E \:ε}{R} \:\mathrm{e}^{-t/τ}≈\frac{E \:ε}{R}  sur des durées d'un l'ordre de grandeur nettement inférieur à ττ ; par suite :  iEεRτet/τ0\displaystyle i≈-\frac{E \:ε}{R \:τ} \:\mathrm{e}^{-t/τ}≈0  ( |i|ER\displaystyle |i|≪\frac{E}{R} ) .
• L'allure des variations de la charge est la suivante.

transRL-RC_cor_Im/transRL-RC_cor_Im9.jpg

• L'allure des variations du courant est la suivante.

transRL-RC_cor_Im/transRL-RC_cor_Im10.jpg


2.a. • Pour considérer le signal comme une impulsion de tension, il faut :  ετε≪τ  où  τ=LR\displaystyle τ=\frac{L}{R}  est la constante de temps caractéristique du circuit RL.


2.b. • Pour  t<0t<0,  la loi des mailles conduit à l'équation différentielle :  Ri+Ldidt=0\displaystyle R \:i+L \:\frac{di}{dt}=0 .  L'invariance du système pour tout  t<0t<0  correspond à :  i=0i=0 .
• Pour  0tε0≤t≤ε,  l'équation différentielle :  didt+RLi=EL\displaystyle \frac{di}{dt}+\frac{R}{L} \:i=\frac{E}{L}  a pour solutions :  i=ER+Aet/τ\displaystyle i=\frac{E}{R}+A \:\mathrm{e}^{-t/τ}  et les conditions initiales imposent :  i=ER(1et/τ)\displaystyle i=\frac{E}{R} \:(1-\mathrm{e}^{-t/τ} ) .
• Pour  t>εt>ε,  l'équation différentielle s'écrit :  didt+RLi=0\displaystyle \frac{di}{dt}+\frac{R}{L} \:i=0 .  Les solutions sont de la forme :  i=Aet/τ i=A \:\mathrm{e}^{-t/τ}  et les conditions initiales imposent :  i=ER(1eε/τ)et/τ\displaystyle i=\frac{E}{R} \:(1-\mathrm{e}^{ε/τ} ) \:\mathrm{e}^{-t/τ} .
• L'allure des variations du courant est la suivante.

transRL-RC_cor_Im/transRL-RC_cor_Im11.jpg


2.c. • Pour  0tε0≤t≤ε,  la limite  ετε≪τ  correspond à :  iELt\displaystyle i≈\frac{E}{L} \:t .
• Pour  t>εt>ε,  la limite   ετε≪τ  donne :  iEεLet/τEεL\displaystyle i≈\frac{E \,ε}{L} \:\mathrm{e}^{-t/τ}≈\frac{E \,ε}{L}  pour des durées nettement inférieures à ττ.
• L'allure des variations du courant est la suivante.

transRL-RC_cor_Im/transRL-RC_cor_Im12.jpg


V. Réponse à une “impulsion” de courant

1.a. • Pour considérer le signal comme une impulsion de courant, il faut :   ετε≪τ  où  τ=RCτ=R \,C  est la constante de temps caractéristique du circuit RC.


1.b. • Pour  t<0t<0,  Ic=0I_c=0  implique  i=ii'=-i  et la loi des mailles  Ri+qC=0\displaystyle R \:i+\frac{q}{C}=0  donne l'équation différentielle :  dqdt+qRC=0\displaystyle\frac{dq}{dt}+\frac{q}{R \,C}=0 .  L'invariance du système pour tout  t<0t<0  correspond à :  q=0q=0  et  i=0i=0 .
• Pour  0tε0≤t≤ε,  la loi des nœuds donne  Ic=i+iI_c=i+i'  avec  i=dqdt\displaystyle i=\frac{dq}{dt}  et  Ri=qC\displaystyle R \:i'=\frac{q}{C}  ;  l'équation différentielle s'écrit donc :  dqdt+qRC=Ic\displaystyle \frac{dq}{dt}+\frac{q}{R \,C}=I_c .  Les solutions sont de la forme :  q=RCIc+Aet/τq=R \,C \,I_c+A \:\mathrm{e}^{-t/τ}  et les conditions initiales imposent :  q=RCIc.(1et/τ)q=R \,C \,I_c .(1-\mathrm{e}^{-t/τ} ) .  On en déduit alors :  i=dqdt=Icet/τ\displaystyle i=\frac{dq}{dt}=I_c \:\mathrm{e}^{-t/τ} .
• Pour  t>εt>ε,  l'équation différentielle :  dqdt+qRC=0\displaystyle \frac{dq}{dt}+\frac{q}{R \,C}=0   a des solutions de la forme :   q=Aet/τq=A \:\mathrm{e}^{-t/τ}  et les conditions initiales imposent :  q=RCIc.(eε/τ1)et/τq=R \,C \,I_c .(\mathrm{e}^{ε/τ}-1) \:\mathrm{e}^{-t/τ} .  On en déduit :  i=dqdt=Ic.(1eε/τ)et/τ\displaystyle i=\frac{dq}{dt}=I_c .(1-\mathrm{e}^{ε/τ} ) \:\mathrm{e}^{-t/τ} .
• L'allure des variations de la charge est la suivante.

transRL-RC_cor_Im/transRL-RC_cor_Im13.jpg

• L'allure des variations du courant est la suivante.

transRL-RC_cor_Im/transRL-RC_cor_Im14.jpg


1.c. • Pour  0tε0≤t≤ε,  la limite  ετε≪τ  correspond à :  qIctq≈I_c \:t  et  iIci≈I_c .
• Pour  t>εt>ε,  la limite  ετε≪τ  correspond à :  qIcεet/τIcε q≈I_c \:ε \:\mathrm{e}^{-t/τ} ≈I_c \:ε  sur des durées d'un l'ordre de grandeur nettement inférieur à ττ ; par suite :  iIcετet/τ\displaystyle i≈-\frac{I_c \:ε}{τ} \:\mathrm{e}^{-t/τ}  ( |i|Ic|i|≪I_c ).
• L'allure des variations de la charge est la suivante.

transRL-RC_cor_Im/transRL-RC_cor_Im15.jpg

• L'allure des variations du courant est la suivante.

transRL-RC_cor_Im/transRL-RC_cor_Im16.jpg

   
2.a. • Pour considérer le signal comme une impulsion de courant, il faut :  ετε≪τ  où  τ=LR\displaystyle τ=\frac{L}{R}  est la constante de temps caractéristique du circuit RL.


2.b. • Pour  t<0t<0,  Ic=0I_c=0  implique  i=ii'=-i  et la loi des mailles conduit à l'équation différentielle :  Ri+Ldidt=0\displaystyle R \:i+L \:\frac{di}{dt}=0 .  L'invariance du système pour tout  t<0t<0  correspond à :  i=0i=0 .
• Pour  0tε0≤t≤ε,  la loi des nœuds donne  Ic=i+i I_c=i+i'  avec  Ri=Ldidt\displaystyle R \:i'=L \:\frac{di}{dt}  ;  l'équation différentielle s'écrit donc :  didt+RLi=RLIc\displaystyle \frac{di}{dt}+\frac{R}{L} \:i=\frac{R}{L} \:I_c .  Les solutions sont de la forme :  i=Ic+Aet/τi=I_c+A \:\mathrm{e}^{-t/τ}  et les conditions initiales imposent :  i=Ic.(1et/τ)i=I_c .(1-\mathrm{e}^{-t/τ} ) .
• Pour  t>εt>ε,  l'équation différentielle s'écrit :  didt+RLi=0\displaystyle \frac{di}{dt}+\frac{R}{L} \:i=0 .  Les solutions sont de la forme :  i=Aet/τi=A \:\mathrm{e}^{-t/τ}  et les conditions initiales imposent :  i=Ic.(1eε/τ)et/τ i=I_c .(1-\mathrm{e}^{ε/τ} ) \:\mathrm{e}^{-t/τ} .
• L'allure des variations du courant est la suivante.

transRL-RC_cor_Im/transRL-RC_cor_Im17.jpg


2.c. • Pour  0tε0≤t≤ε,  la limite  ετε≪τ  correspond à :  iRIcLt\displaystyle i≈\frac{R \,I_c}{L} \:t .
• Pour  t>εt>ε,  la limite  ετε≪τ  correspond à :  i=RIcεLet/τRIcεL\displaystyle i=\frac{R \,I_c \:ε}{L} \:\mathrm{e}^{-t/τ}≈\frac{R \,I_c \:ε}{L}  sur des durées d'un l'ordre de grandeur nettement inférieur à ττ.
• L'allure des variations du courant est la suivante.

transRL-RC_cor_Im/transRL-RC_cor_Im18.jpg


VI. Oscillations de relaxation d'un tube à gaz

1. • On peut considérer :  u=Ri+vu=R \:i+v  avec  i=dqdt\displaystyle i=\frac{dq}{dt}  et  v=qC\displaystyle v=\frac{q}{C} ;  donc :  dqdt+qτ=uR\displaystyle \frac{dq}{dt}+\frac{q}{τ}=\frac{u}{R} .

transRL-RC_cor_Im/transRL-RC_cor_Im19.jpg

• Pour  t<0t<0 :  dqdt+qτ=0\displaystyle \frac{dq}{dt}+\frac{q}{τ}=0  et  l’invariance du système conduit à  q=0q=0 .
• Pour  t0t≥0 :  dqdt+qτ=ER\displaystyle \frac{dq}{dt}+\frac{q}{τ}=\frac{E}{R}  et on obtient :  q=Aet/τ+CEq=A \:\mathrm{e}^{-t/τ}+C \,E  où les conditions initiales donnent :  A=CEA=-C \,E  ;  par suite :  q=CE.(1et/τ)q=C \,E .(1-\mathrm{e}^{-t/τ} )  et   v=qC=E.(1et/τ)\displaystyle v=\frac{q}{C}=E .(1-\mathrm{e}^{-t/τ} ) .

2. • Si l’interrupteur est fermé, le comportement initial est le même tant que  v<V0v<V_0  (le tube à gaz se comporte alors comme un interrupteur ouvert).
• À l’instant  T=τln(1V0E)\displaystyle T=-τ \;\ln⁡\left(1-\frac{V_0}{E}\right)  où  V0=E.(1eT/τ)V_0=E .(1-\mathrm{e}^{-T/τ} ) ,  le condensateur est “instantanément” déchargé, donc vv s’annule et le tube à gaz redevient “bloqué” ; ainsi la charge reprend comme initialement.
• Ce phénomène se reproduit donc périodiquement, avec une fréquence  f=1T=1τln(1V0E)=4280Hz\displaystyle f=\frac{1}{T}=\frac{-1}{τ \;\ln⁡\left(1-\frac{V_0}{E}\right)}=4280 \:\mathrm{Hz} .

transRL-RC_cor_Im/transRL-RC_cor_Im20.jpg


B. EXERCICE D’APPROFONDISSEMENT

VII. Bilan énergétique d'un régime transitoire

1. • On considère que le champ électrique, noté E\overset{→}{E'}, est uniforme dans le condensateur plan et nul à l'extérieur. Le théorème de Gauss, appliqué à un cylindre d'axe parallèle au champ, “à cheval” sur une des plaques, conduit à la relation :  Φ=SE=qintε0=σSε0\displaystyle Φ=S \:E'=\frac{q_{int}}{ε_0} =\frac{σ \,S}{ε_0}   où σσ est la densité surfacique de charge sur la plaque (le flux est nul sur la surface latérale et sur la base extérieure au condensateur). Au total, pour la surface SS totale des plaques :  E=qintSε0\displaystyle E'=\frac{q_{int}}{S \:ε_0} .
• La tension aux bornes du condensateur est  U=Ee=qeSε0=qC\displaystyle U=E' \,e=\frac{q \:e}{S \,ε_0}=\frac{q}{C} ,  donc :  C=ε0Se\displaystyle C=\frac{ε_0 \,S}{e} .
transRL-RC_cor_Im/transRL-RC_cor_Im21.jpg


2.a. • En opérant très lentement, la charge du condensateur se rééquilibre en permanence pour maintenir  U(t)=EU(t)=E,  donc il porte une charge :  q(t)=C(t)Eq(t)=C(t) \:E  (du côté + du générateur). Puisque ee augmente, CC diminue et qq diminue, donc  i<0i<0 .
• Le générateur fournit donc : Ei(t)dt=Eq=E2C<0 ∫ \,E \:i(t) \:dt=E \:∆q=E^2 \,∆C<0  (en fait il absorbe de l'énergie au sens arithmétique). La résistance absorbe :  Ri2(t)dt∫ \,R \:i^2 (t) \:dt  qui est négligeable, car du second ordre, pour un mouvement très lent. Le condensateur absorbe :  (12CU2)=12CE2<0∆\left(\frac{1}{2} C \,U^2 \right)=\frac{1}{2} ∆C \;E^2<0  (en fait il fournit de l'énergie au sens arithmétique, comme le laisse prévoir le sens qu'il impose au courant).
• Au total (il s'agit d'un travail mécanique positif car les charges de signes contraires portées par les deux plaques s'attirent), le travail à fournir au système est :

Wma=Ei(t)dt+Ri2(t)dt+(12CU2)12CE2=12ε0SE2.(1e11e2)>0\displaystyle W_{ma}=-∫ \,E \:i(t) \:dt+∫ \,R \:i^2 (t) \:dt+∆\left(\frac{1}{2} C \:U^2 \right)≈-\frac{1}{2} ∆C \;E^2= \frac{1}{2} ε_0 \:S \:E^2.\left(\frac{1}{e_1} -\frac{1}{e_2} \right)>0 .


2.b. • En opérant très rapidement, la charge du condensateur ne peut pas se rééquilibrer “instantanément” à cause de la résistance RR qui limite le courant (constante de temps  τ=RCτ=R \,C). En considérant la limite d'un mouvement “quasi-instantané”, on peut supposer que la charge n'a pratiquement pas changé pendant le mouvement ; le générateur et la résistance n'absorbent donc rien pendant ce mouvement.
• Le condensateur absorbe :  (12q2C)=12(1C)q2>0\displaystyle ∆\left(\frac{1}{2} \frac{\,q^2}{C\;}\right)=\frac{1}{2} ∆\left(\frac{1}{C}\right) \;q^2>0  ;  le travail à fournir au système (sous forme mécanique) est :  Wmb=12(1C)q2=12ε0SE2e2e1e12>0\displaystyle W_{mb}=\frac{1}{2} \:∆\left(\frac{1}{C}\right) \;q^2=\frac{1}{2} ε_0 \:S \:E^2 \:\frac{e_2-e_1}{e_1^{\;2}}>0  (il s'agit d'un travail mécanique positif car les charges de signes contraires portées par les deux plaques s'attirent).
◊ remarque :  Wmb=Wmae2e1\displaystyle W_{mb}=W_{ma} \frac{e_2}{e_1} .


3. • Dans les deux cas, il finit par y avoir équilibre avec  U=EU=E,  donc il circule :  q=EC∆q=E \:∆C .  Le générateur fournit donc :  WG=Ei(t)dt=Eq=E2C=ε0SE2.(1e21e1)<0\displaystyle W_G=∫ \,E \:i(t) \:dt=E \:∆q=E^2 \:∆C=ε_0 \:S \:E^2.\left(\frac{1}{e_2} -\frac{1}{e_1} \right)<0  (il absorbe de l'énergie au sens arithmétique). Dans le second cas, ce travail correspond aux effets du courant qui apparaît “juste après” le déplacement pour rétablir l'équilibre (arithmétiquement, le condensateur cède alors de l'énergie au générateur et à la résistance).


4. • La résistance absorbe :  WJ=Ri2(t)dtW_J=∫ \,R \:i^2 (t) \:dt  qui est négligeable, car du second ordre, pour un mouvement très lent. Plus précisément, on peut imposer  |i(t)|<Imax |\,i(t)|<I_{max}  où ImaxI_{max} est une valeur d'autant plus petite que le mouvement est lent ; par suite :  WJ<RImaxi(t)dt=RImax|q|W_J<R \:I_{max} \:∫ \,i(t) \:dt=R \:I_{max} \:|∆q\,| .  Or RR et  |q||∆q\,|  sont indépendants du mouvement, donc WJW_J peut être rendu arbitrairement petit en diminuant ImaxI_{max} ,  c'est-à-dire en ralentissant le mouvement.
• Pour un mouvement très rapide, on peut considérer que  q(0+)C1Eq(0_+)≈C_1 \,E  puisque la charge du condensateur n'a pratiquement pas eu le temps de varier. Par la suite, la loi des mailles implique une évolution telle que :  Ri(t)+q(t)C2=E\displaystyle R \:i(t)+\frac{q(t)}{C_2} =E  avec  i(t)=dq(t)dt\displaystyle i(t)=\frac{dq(t)}{dt} .
• Les solutions sont de la forme :  q(t)=C2E+Aet/τ2q(t)= C_2 \:E+A \:\mathrm{e}^{-t/τ_2 }  avec  τ2=RC2τ_2=R \:C_2  ;  d'après les conditions initiales :  q(t)=C2E+(C2C1)Eet/τ2q(t)= C_2 \:E+(C_2-C_1 ) \:E \:\mathrm{e}^{-t/τ_2 } .
• On en déuit :  i(t)=CERC2et/τ2\displaystyle i(t)=∆C \;\frac{E}{R \:C_2} \:\mathrm{e}^{-t/τ_2 }   et   WJ=0Ri2(t)dt=(C)2E22C2=12ε0SE2e2.(1e21e1)2\displaystyle W_J=∫_0^∞ \,R\:i^2 (t) \:dt=\frac{(∆C)^2 \:E^2}{2 \,C_2}=\frac{1}{2} ε_0 \:S \:E^2 \:e_2 .\left(\frac{1}{e_2} -\frac{1}{e_1} \right)^2.
◊ remarque :  WJ=WGe1+e22e1\displaystyle W_J=-W_G \;\frac{e_1+e_2}{2 \,e_1} .


5. • Pour le cas lent (réversible) :  Wma=WG+W_{ma}=-W_G+∆ℰ  (où  est l'énergie électrique dans le condensateur) ; ceci correspond à dire que la variation de l'énergie du circuit (générateur + résistor + condensateur) est égale au travail mécanique reçu par ce système.
• Pour le cas très rapide (irréversible) :  Wma=WG+WJ+W_{ma}=-W_G+W_J+∆ℰ  ;  ceci correspond à dire que la variation d'énergie du système, y compris l'énergie thermique du résistor (il s'échauffe par l'effet Joule), est égale au travail mécanique reçu.
◊ remarque :  on peut vérifier que  WmbWma=WJW_{mb}-W_{ma}=W_J .