FORCES MAGNÉTIQUES - TP


Mesures en courant continu

Rails de Laplace et/ou roue de Barlow

• Vérifier l'existence et l'orientation de la force de Laplace : selon le sens du champ magnétique B\overset{→}{B} .

Laplace_TP_Im/Laplace_TP_Im1.jpg
Laplace_TP_Im/Laplace_TP_Im2.jpg


☞ remarque : de façon générale, ce type de manipulations peut nécessiter d’utiliser un courant assez intense, mais il faut tout de même ne pas exagérer pour ne pas détériorer le circuit électrique ; en pratique, c'est beaucoup plus net avec  I5AI≥5 \:\mathrm{A}  mais les circuits ne supportent pas longtemps de tels courants.

☞ remarque : pour les rails de Laplace, on peut aussi tester l'influence du sens du courant ; par contre, la roue de Barlow utilisant une cuve de solution de CuSO4\mathrm{CuSO_4} (pour éviter la toxicité du mercure) subit de l'électrolyse qui abimerait la roue si on inversait le sens du courant.

Balance de Cotton

☞ remarque : les balances de Cotton sont très sensibles (les forces de Laplace mesurées sont faibles) mais très fragiles ; le fléau doit être calé lors du transport (ou du rangement).

• Équilibrer la balance en l'absence de courant : placer la vis de réglage fin à sa position moyenne (côté masses marquées) ; régler approximativement l'équilibre à l'aide du curseur coulissant (sur l'un des deux bras, selon le modèle) ; régler précisément à l'aide de la vis.

• Placer l'aimant “en U” dont on veut mesurer le champ magnétique (au niveau de la portion active ACAC ).

• Placer des masses marquées sur le plateau (quelques centigrammes) ; faire passer le courant (dans le sens adapté) et l'ajuster afin de rétablir l'équilibre.

Laplace_TP_Im/Laplace_TP_Im3.jpg

En déduire le champ magnétique ; comparer le résultat à celui donné par un teslamètre à sonde de Hall ; conclure.

Balance de torsion

• On crée un champ magnétique quasi-uniforme à l’aide de bobines de Helmholtz : deux bobines coaxiales de même rayon RR , séparées par une distance égale à ce rayon, parcourues par un même courant II . On suppose donc que le champ dans la “zone utile” est :  B=μ0NIR(45)3/2\displaystyle B=\frac{μ_0 \: N \:I}{R} \: \left(\frac{4}{5}\right)^{3/2}  avec une incertitude de 3%3 \:% .

• Mesurer RR et II , puis mesurer BB à l'aide d'un teslamètre à sonde de Hall. Avec  μ0=4π107H.m1μ_0=4π \:{10}^{-7} \: \mathrm{H.m^{-1}} ,  en déduire le nombre de spires  NN (c'est généralement un multiple de 1010 , de l'ordre de 100100 à 150150 ).

• Placer sous le fil de torsion de la balance une petite bobine plate reliée (par des fils très souples) à un second générateur délivrant un courant II' (sur certains montages, ce circuit électrique passe par le fil de torsion ; l'une des bornes est au dessus, l'autre est en bas de l'axe).

◊ remarque : il n'est pas forcément interdit d'utiliser le même générateur avec un montage en série, mais ce n'est pas toujours judicieux, car les petites bobines dont on veut tester le moment dipolaire magnétique ne supportent pas forcément un courant aussi intense que celui des bobines de Helmholtz.

Laplace_TP_Im/Laplace_TP_Im4.jpg

◊ remarque : pour les montages où ce n'est pas préparé, il faut fabriquer cette bobine à l'aide du fil mis à disposition (au moins 50≈50 spires !), puis de la fixer sur l'axe (utiliser le “support” fourni).

• En l'absence de courant II' ,  placer initialement la petite bobine perpendiculaire aux bobines de Helmholtz  ( SB\overset{→}{S}⊥\overset{→}{B} ).  Ce réglage peut s'ajuster à l'aide du support supérieur du fil de torsion, repérer alors l'angle de ce support (il est gradué).

Faire passer le courant II' (la petite bobine tourne sous l'effet des forces magnétiques), puis faire tourner le support supérieur de façon telle à ramener la petite bobine dans son orientation initiale. Mesurer le nouvel angle du support ; en déduire l'angle de torsion du fil, puis le moment du couple de forces magnétiques.

Connaissant BB , en déduire le moment magnétique de la petite bobine ; comparer au résultat déduit de sa surface SS et du courant II' .

• Ou bien inversement : mesurer l'angle de torsion ; connaissant le moment magnétique de la petite bobine, en déduire le champ BB ; comparer le résultat à celui donné par un teslamètre à sonde de Hall ; conclure.

◊ remarque : la raideur en torsion d'un fil est la constante de proportionnalité CC entre le moment du couple de torsion et l'angle :  =Cθℳ=C \:θ  (d'après la loi de Hooke).

◊ remarque : la raideur en torsion dépend du diamètre DD et de la longueur LL du fil :  C=Gπ32D4L\displaystyle C=G \, \frac{π}{32} \, \frac{D^4}{L}  où la constante GG est le “module de cisaillement” (ou constante de Coulomb).

◊ remarque : le module de cisaillement peut s'exprimer sous la forme :  G=E2(1+α)\displaystyle G=\frac{E}{2 \,(1+α)}  où la constante EE est le “module d'élasticité” (ou constante d'Young) et où la constante αα est le “coefficient de Poisson” ; pour les métaux  α0,30α≈0\text{,}30  ;  pour l'acier  E=(2,0±0,1).1011N.m2E=(2\text{,}0±0\text{,}1).{10}^{11} \: \mathrm{N.m^{-2}}  donc  G7,8.1010N.m2G≈7\text{,}8.{10}^{10} \: \mathrm{N.m^{-2}} .

◊ remarque : les balances de torsion utilisées ont généralement des fils de torsion en acier :

Champ tournant et moteur synchrone

Réalisation d'un champ tournant

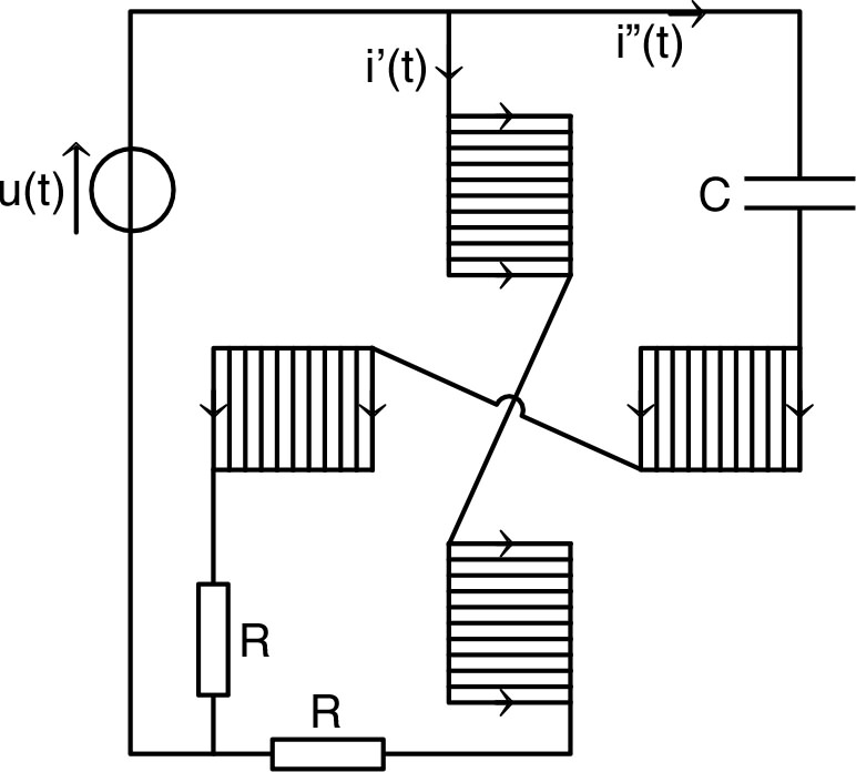
• À l'aide de deux paires de bobines, après en avoir mesuré l'inductance LL et la résistance rr ,  calculer la résistance RR et la capacité CC à placer en série pour obtenir deux composantes déphasées de ±π4±\frac{π}{4} (cela dépend de la fréquence choisie pour la rotation du champ).


• Vérifier expérimentalement cette proportionnalité à l'aide d'un oscilloscope.

Laplace_TP_Im/Laplace_TP_Im5.jpg

Utilisation pour un moteur synchrone

• Placer une aiguille de boussole au centre du dispositif ; vérifier qu'elle ne peut démarrer seule.

• Lancer la rotation de l'aiguille (dans le sens de rotation du champ magnétique) ; vérifier que, si on réussit à lancer avec une fréquence de rotation proche de 50Hz50 \:\mathrm{Hz} , alors la rotation se stabilise à 50Hz50 \:\mathrm{Hz} et est entretenue ; mesurer sa fréquence à l'aide du stroboscope ; conclure.





FORCES MAGNÉTIQUES - TP


Groupes “rails de Laplace”  (1 groupe ?)

1 montage avec rails de Laplace
1 aimant “en U” (avec isolation électrique)
1 générateur de courant réglable (24V24 \:\mathrm{V}10A10 \:\mathrm{A} )
1 rhéostat (pour régler  55  à  10A10 \:\mathrm{A}  si le générateur n'est pas assez réglable)
1 contrôleur électronique
1 teslamètre
8 fils (des longs et des courts)


Groupes “roue de Barlow”  (1 groupe ?)

1 montage avec roue de Barlow (et cuve avec CuSO4\mathrm{CuSO_4} )
1 aimant “en U” (avec isolation électrique)
1 générateur de courant réglable (60V60 \:\mathrm{V}15A15 \:\mathrm{A} )
1 contrôleur électronique
1 teslamètre
8 fils (des longs et des courts)


Groupes “balance de Cotton”  (2 groupes ?)

1 balance de Cotton (avec masses marquées adaptées)
1 aimant “en U” (sur support)
1 générateur de courant réglable (24V24 \:\mathrm{V}3A3 \:\mathrm{A} )
1 contrôleur électronique
1 teslamètre
8 fils (des longs et des courts)


Groupes “balance de torsion”  (1 à 3 groupes ?)

1 balance de torsion avec grandes bobines de Helmholtz
1 bobine à suspendre sur axe (ou de quoi la fabriquer et la fixer)
2 pinces crocodile
2 générateurs de courant réglable (24V24 \:\mathrm{V}3A3 \:\mathrm{A} )


Groupes “champ tournant”  (2 groupes ?)

1 générateur de tension sinusoïdale réglable (24V24 \:\mathrm{V} )
1 oscilloscope
divers résistors  1Ω1 \:\mathrm{Ω}  à  100Ω100 \:\mathrm{Ω}  (1A1 \:\mathrm{A} )
divers condensateurs  1μF1 \:\mathrm{μF}  à  100μF100 \:\mathrm{μF}
4 grosses bobines avec noyau réglable
1 aiguille de boussole sur support pivot
1 stroboscope