| • S'il y a des transferts de chaleur
parasites, les variations de température l’allure ci-contre
(l'exemple est celui du chauffage électrique, mais les
autres cas sont analogues). ☞ remarque : si le calorimètre n'est pas isolé par un vase Dewar, les mesures avant et après le chauffage sont indispensables pour corriger les transferts thermiques parasites ; il est important de ne pas les négliger (ne serait-ce que pour vérifier la qualité de l'isolation thermique). |
![]() |

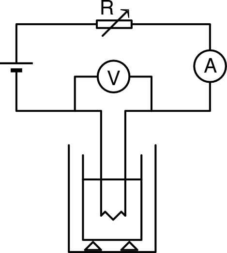
| • Pour un calorimètre contenant une masse
d’eau, tracer la variation de température en fonction du
temps, lors d’un échauffement à tension et courant
connus (par exemple
à
et
à
pour
). En déduire la capacité thermique du système. ◊ remarque : agiter pendant la manipulation, pour “uniformiser” la température (mais en isolant la partie de l’agitateur au contact des doigts). ◊ remarque : la valeur de doit être assez grande pour que la résistance trempe dans l'eau (faute de quoi, non seulement le chauffage est inefficace, mais la résistance risque d'être endommagée ! ), mais asse petite pour que l'échauffement ne soit ni trop faible, ni trop lent ( entre et est souvent acceptable, mais cela dépend du calorimètre utilisé). |
![]() |
(vérifier que les fours ne surchargent pas le disjoncteur)1 bécher
(adapter les trous des couvercles des calorimètres pour utiliser les thermomètres électroniques)
(adapter les trous des couvercles des calorimètres pour utiliser les thermomètres électroniques)